首 页文档资料下载资料维修视频汽修在线平台
请登录  |  免费注册
当前位置:精通维修下载 > 文档资料 > 汽车技术 > 汽车维修 > 上汽大众维修实例
大众凌渡轿车启动机回位滞后
来源:汽车维修技师  作者:佚名  2022-03-11 08:15:42

     一辆行驶里程约3000km、配置1.4T CSSA发动机的2020年上汽大众凌渡轿车。客户反映:该车无法着车。

    故障诊断:到现场发现蓄电池电压正常,钥匙能够点亮仪表但启动机不运转。经测量后发现启动机控制端无电压。读取发动机控制单元,故障码P305400,其含义为:启动机不能转动机械卡死或电器故障,如图1所示。检测全车保险丝没有熔断现象,两个启动继电器也没有发现问题。重新插上继电器后启动正常。反复多次重启,均正常。告知客户观察使用。第二天故障又再次出现。重新拨一下继电器后又能正常启动。由于是新车,行驶才3000千米,建议客户进入4S店进行索赔。
    哪知第三天,客户反映车子在4S店处理过线路后新故障出现了,车主感觉车辆启动时异响。由于客户原因,不愿再次进入4S店索赔,要求笔者诊断。
    笔者启动车辆,发现两个故障点。(1)车辆按启动按钮,只能打开仪表,需要再按一次启动机才能工作,或者需要长时间按住启动按钮才能工作。(2)启动后异响,大约时长3s,经检查发动机启动后异响来源于启动机不能及时回位。3s左右才能回位。检测启动机控制线再启动后仍然有12V电压,排除启动机本身不回位故障。车辆无故障码。
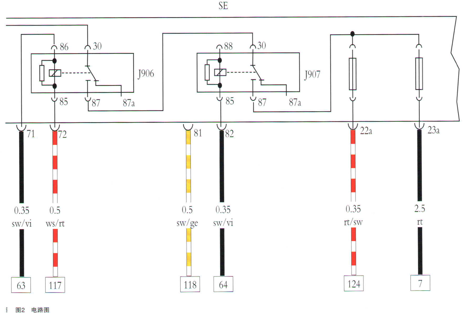
    查阅相关电路图,如图2所示。
    此车启动机由2个启动机继电器串联控制。怀疑是其中一个或两个启动机继电器触点有粘连。更换两个继电器后故障依旧。由于客户反映以前只是启动机偶发性不工作,在4S店处理过相关线路后才有启动机不回位的现象。所以笔者认为极有可能还是线路存在故障。笔者将保险盒拆开,发现电机控制线安装位置有些奇怪,如图3所示,其卡在继电器1和2之间。依照电路图分析,两个继电器应是和启动机形成串联电路的,而此车的电机线插在此位置,是2个继电器并联入启动机端子的。错误接线图如图4所示,再次认真分析电路图,继电器2接通后通过30A保险后进入启动机,发现30A保险后没有31脚。将电机控制线接入30A保险丝端子后启动机工作正常,再无不回位现象。
 
    故障总结:对于新款车型的启动机控制可以从线路图中得知,采用双继电器串联控制。在启动时控制线是两个继电器同时接通。启动成功后,两个继电器交替分先后断开。也就是说第一次先断开继电器1,后断开继电器2;第二次先断开继电器2,后断开继电器1。其目的:一是为了降低因为继电器触点烧蚀粘连而引发启动机不回位的概率,毕竟两个继电器同时损坏的概率相对偏小;二是将因断开继电器产生的电弧对触点的烧蚀程度降低到最小,延长继电器的使用寿命。
    由于4S店在检修线路时工人疏忽将引线针脚插错导致客户不满,从而质疑其技术水平,放弃再次索赔。
 
相关资料:精通汽修在线平台 99元VIP包年超值体验

关键词:凌渡

文章评论评论内容只代表网友观点,与本站立场无关!

   评论摘要(共 0 条,得分 0 分,平均 0 分)
Copyright © 2007-2017 down.gzweix.Com. All Rights Reserved .
页面执行时间:49,783.20000 毫秒