一辆行驶里程约1.2万km的雪佛兰科鲁兹1.6AT轿车。该车装配手动空调。车主反映:空调制冷效果差。
    接车后:打开AC开关,鼓风机开到最大档,能听到压缩机电磁离合器“啪”的吸合声音,但电子风扇一直未工作。空调运行2~3min后,手握空调系统高压管路,温度很高,感’觉烫手;手握低压管路,感觉不到凉爽;驾驶舱出风口吹出的风也不凉。用SPX解码仪V-30连接诊断,无故障码显示,动态数据流显示如图1,空调蒸发箱温度2 0℃,冷却液温度90℃,空调高压管路压力(科鲁兹无低压传感器)1106kPa。据以往经验,当空调打开,压缩机正常运行时,高压管路压力会逐渐上升至1600kPa左右,此后压缩机的电磁离合器会脱开,风扇启动,压力又回落到,100kPa左右,但此车的空调高压管路压力一直未发生明显变化。关闭AC开关,用罗宾奈尔AC350C加注机的高、低压管路与空调系统连接,高、低压表的压力显示如图2,压力都约为400kPa,属正常范围。


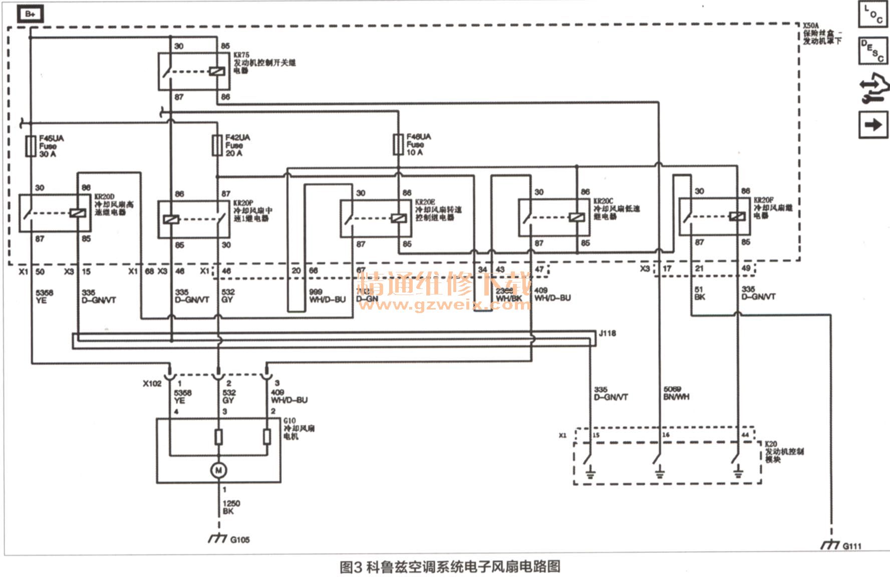
故障诊断:空调压缩机正常运行,而电子风扇未工作,空调系统散热不良会导致高压管路压力迅速增高,但上述情况的空调管路压力未增高,有两种可能:一是压缩机电磁离合器自动打滑,二是空调管路内制冷剂不足。经仔细观察,压缩机一直在工作,电磁离合器也未脱开,于是基本可以判断是空调系统管路制冷剂不足。通过罗宾奈尔AC350C加注机,给空调系统重新回收、加注了R134a,再启动空调,高压管路的压力迅速增至2000kPa,电子风扇高速运转后,压力回落至1100kPa,手握低压管路,感觉很凉,驾驶舱出风口也有强冷风吹出。加注制冷剂后,空调制冷效果已经显现,但高压管路压力波动异常,电子风扇未经低速档,直接运行中、高速档。翻阅维修手册,找到科鲁兹空调系统的电子风扇电路图(图3)。风扇有高速、中速、低速三个档位,五个风扇继电器的相互关系如下:冷却风扇继电器KR20F控制着冷却风扇转速控制继电器KR20E的工作电路,KR20E控制着冷却风扇高速继电器KR20D的工作电路;冷却风扇中速继电器KR20P独立工作;KR20F控制着冷却风扇低速继电器KR20C的工作电路。保险丝盒内的继电器布置如图4,因盖背面与继电器的标注严重不符,需测量才能判定对应的继电器型号。检测过程如下:拔下冷却风扇低速继电器KR20C,测量X102-3号端口至KR20C继电器87端口的电阻小于0.5Ω,测量KR20C继电器30端口的电压接近,2V, 86端口的接近12V, 85端口的接近0V,说明继电器外部电路正常;用蓄电池电源正负极连接KR20C继电器的30和87针脚,能听见电磁线圈吸合声音,但用万用表电阻档测量86和85针脚的电阻,显示为无穷大,则可判定KR20C已损坏。更换KR20C后,经验证,空调制冷效果良好,高压管路压力缓慢升至1600kPa,电子风扇低速档开始工作,压力又回落至1200kPa,空调系统故障最终排除。


    延伸阅读:检修雪佛兰科鲁兹空调不制冷