一辆行驶里程约7万km,配置1.6L LDE发动机、D16五前速手动变速器的2010款上海通用雪佛兰科鲁兹轿车。用户反映:倒车灯不亮,左后转向灯不亮。
接车后:首先确认了故障现象,发现在打右转向时前后转向灯工作正常,无论是在打左转向还是打危险报警灯时,左后转向灯都不点亮,其他左侧转向灯和组合仪表卜的转向信号指示灯则以较快频率工作。在打开点火开关挂倒挡时,两倒车灯均不亮。
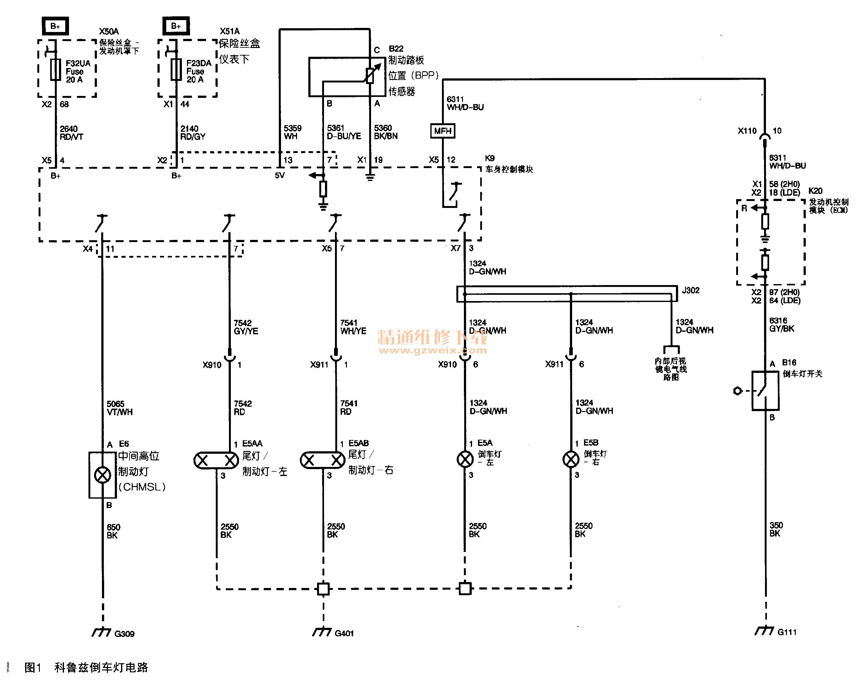
首先检查了发动机舱保险丝盒和仪表台保险丝盒上的所有保险丝,没有发现有熔断的。检查了倒车灯泡和转向灯泡灯丝也没有熔断。根据倒车灯的控制线路图(如图1所示),倒车灯开关线路连接至发动机控

制模块,当变速器挂倒挡时,倒挡开关闭合,发动机控制模块确认挡位在倒挡,然后向车身控制模块发送信息,指示换挡杆处于倒挡位置。车身控制模块向倒车灯提供蓄电池电压,倒车灯搭铁。当换挡杆移出倒挡位置时,发动机控制模块发送信息请求车身控制模块从倒车灯控制电路上撤销蓄电池电压。连接
GDS+MDI,读取全车故障码,无故障码存在。将车辆打开点火开关挂上倒挡,发动机控制模块数据流和车身控制模块车外照明数据均能表明当前处于倒挡。关闭点火开关,断开车身控制模块X7连接器,从蓄电池直接引电源至其3号针脚,发现倒挡灯能正常点亮。倒挡灯控制的信号输入部分和执行部分均没有问题,那接下来就是执行部分车身控制模块的问题了。为了验证这一判断,将同类车的车身控制模块装到故障车,打开点火开关挂倒挡验证倒挡灯能否点亮,结果令人大失所望,依然是故障依旧。再打左转向,发现左后转向灯依然不点亮,打开危险警告灯开关左后转向灯也不点亮。看来故障不在车身控制模块。

那是不是左后转向灯影响到了倒车灯的点亮呢?根据后转向灯的控制电路图(如图2所示),转向灯和倒车灯共同在G401搭铁,经检查,左后翼子板上的G401搭铁点无异常。转向灯只在点火开关置于ON或START位置时才启动。当转向信号开关置于右转或左转位置时,通过右转或左转信号开关信号电路向车身控制模块提供搭铁。然后车身控制模块通过相应的电源电压电路向前转向灯和后转向灯提供脉冲电压。车身控制模块接收到转向信号请求时,将串行数据信息发送至组合仪表,请求各转向信号指示灯点亮和熄灭。危险警告灯和转向灯控制的输出部分共用同一套线路,危险警告灯可以在任何电源模式下启动13当危阶警告灯开关置于接通位置时,通过危险警告灯开关信号电路向车身控制模块提供搭铁。车身控制模块以ON和OFF占空比形式向所有转向灯提供蓄电池电压。当启动危险警告灯开关时,车身控制模块向组合仪表发送一个串行数据信息,请求转向信号指示灯循环点亮和熄灭。断开车身控制模块X5和X4连接器,分别从X5/1脚和X4/4脚处测量转向灯线路到搭铁的电阻,都为0.6Ω,未和搭铁短路。打左转向时测量X5/1脚电压发现无电压输出。将1335号线路和1334号线路短接在一起,打右转向,两后转向灯都点亮了,而且闪烁频率无明显差异。这说明1334号线路无故障,这时再挂倒挡,发现两倒挡灯也跟着一起闪烁起来,由于倒挡灯和转向信号灯共用一个G401搭铁点,给人的直观印象是倒挡灯没有电源,从G401搭铁处串电随转向灯一起闪烁。根据转向灯和倒车灯电路图仔细检查车身控制模块的供电,经检查,X2/1脚和X2/3脚电源正常,X5/3脚电源也正常,在测量到X5/4脚时发现无电源(如图3所示),此路电是由发动机舱保险丝盒32号位置的20A保险丝供电。经检查,在发动机舱保险丝盒32号保险丝位置并无保险丝存在,找来一个20A保险丝装上(如图4所示),左后转向灯和倒车灯均能正常点亮,故障排除。经询问客户,此车在其他维修厂做过事故维修,可能是在维修过程中保险丝被人拔掉了。

