首 页文档资料下载资料维修视频汽修在线平台
请登录  |  免费注册
当前位置:精通维修下载 > 文档资料 > 汽车技术 > 汽车维修 > 问界维修案例
问界M5线束问题导致前电机偶发故障限功率
来源:本站整理  作者:佚名  2026-02-25 09:59:46

 故障系统:动力系统,整车控制器,前电机

故障现象:偶发性的仪表会显示前电机故障,左右打死加速车子会卡顿。
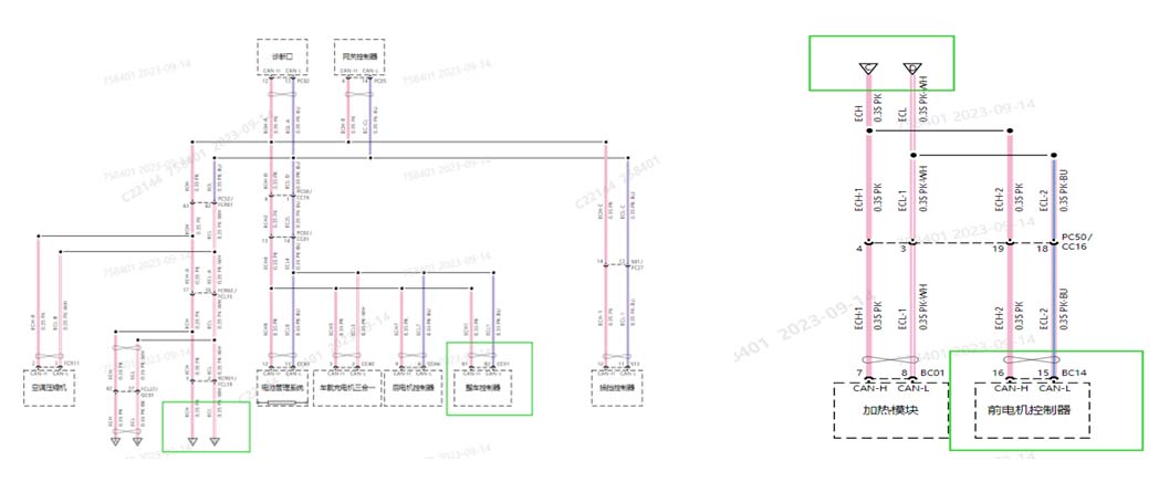
诊断思路:
1、前电机低压线束;2、前电机到VCU控制之间的CAN线异常;3、前电机控制器故障
诊断过程:
1、使用诊断仪检测,VCU内部锁存多个MCUF0通讯帧故障,前电机控制器中获取到VCU通讯异常的故障码;
2、查阅电路图册,初步锁定检查方向:优先排查PTCAN上VCU与MCUF0通讯线路;
 
3、首先测量VCU控制器的CC51端子CANH-B1#与CANL-B2#到诊断口12#与13#之间电阻0.5Ω左右,VCU端线束插接件正常;
4、测量前电机控制器通讯插头BC14与VCU的CC51之间的CAN线的电阻,发现CANH电阻无穷大,CANL电阻0.5Ω,CANH存在异常;

[1] [2]  下一页

关键词:

  • 好的评价
      0%(0)
  • 差的评价
      0%(0)

文章评论评论内容只代表网友观点,与本站立场无关!

   评论摘要(共 0 条,得分 0 分,平均 0 分)
Copyright © 2007-2017 down.gzweix.Com. All Rights Reserved .
页面执行时间:109,574.20000 毫秒