首 页文档资料下载资料维修视频汽修在线平台
请登录  |  免费注册
当前位置:精通维修下载 > 文档资料 > 汽车技术 > 汽车维修 > 问界维修案例
问界M5尾灯进水短路导致车窗不工作
来源:本站整理  作者:佚名  2026-02-25 09:51:01

 故障现象:客户进店反馈四门车窗玻璃不能升降,氛围灯和阅读灯不亮,尾灯不亮

诊断思路: 
1.验证故障现象,确定四门车窗玻璃不能升降,氛围灯和阅读灯不亮,尾灯不亮。检查外观发现右后组合灯破损,当天下雨怀疑短路。
2.连接诊断仪读取故障码如下图所示:
3.查找技术资料主开关插头为HJC04,针脚定义如下图所示:
4.测量电动窗主开关插头HJC04的3号和5号端子与接地之间的电阻0.3欧姆,     线路导通正常。
测量电动窗主开关插头HJC04的2号端子与接地之间的电压值为0V,正常应该是电源电压12V。
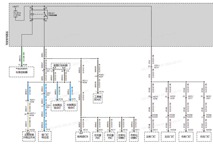
5.查找电路图如下图所示:主开关插头HJC04的2号端子由IF16号保险丝供电,检查保险丝发现已经熔断。
 
6.确定了故障点更换新的保险丝除了破损的右组合灯不亮,其他故障现象排除,IF16号保险丝也给后组合灯供电,建议客户更换右后组合灯后正常,至此故障全部排除。
案例总结:右后组合灯破损遇下雨天进水短路导致IF16号保险丝保护熔断,导致升降机,氛围灯等电器元件没有供电不工作。

关键词:

文章评论评论内容只代表网友观点,与本站立场无关!

   评论摘要(共 0 条,得分 0 分,平均 0 分)

推荐阅读

图文阅读

Copyright © 2007-2017 down.gzweix.Com. All Rights Reserved .
页面执行时间:108,527.30000 毫秒