首 页文档资料下载资料维修视频汽修在线平台
请登录  |  免费注册
当前位置:精通维修下载 > 文档资料 > 汽车技术 > 汽车维修 > 问界维修案例
赛力斯SF5电子转向柱锁解锁失败
来源:本站整理  作者:佚名  2026-02-24 09:57:28

故障现象:2021-06-04车辆VIN:MA000828,车辆在中午33℃左右到车管所去上牌,车辆仪表间隙性报电子转向柱锁解锁失败,第一次下电休眠后恢复正常,间隔10分钟左右再次上电开车又再次出现相同故障。

诊断思路:(1、BCM供电是否正常、2、转向柱锁、3、BMS与转向柱锁LIN线、供电、接到是否正常、4、外部设备电流反馈导致BCM电压拉低。
1.BCM供电是否正常;
查驾驶室内保险盒BCM保险是否正常,用万用表测量电压或导通情况检查结果正常。
2.转向柱锁。
根据该车辆出现的问题,间歇性出现无法解锁的故障,转向柱锁属于执行机构排除转向柱锁的问题。
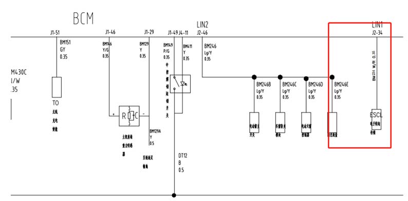
3.BCM与转向柱锁LIN线、供电、接到是否正常
出现故障时,测量BCM与转向柱锁的情况发现异常,BCM供给转向柱锁的常电12V为0V异常,LIN线为11.4v正常,接地正常。
4.外部设备电流反馈导致BCM电压拉高
分析验证过程中找到车辆出现故障的规律,都是在当车辆处于高温33,35度,高温暴晒时出现,经过最终分析原因为用户加装了太阳能空气净化器,该设备从点烟器取电,当太阳较大时从BCM输出反向电压,将BCM电压拉高,这时BCM不会执行转向柱锁解锁指令。
案例总结:外部设备从点烟器取电,导致BCM电压拉高,无法执行解锁指令。

关键词:

文章评论评论内容只代表网友观点,与本站立场无关!

   评论摘要(共 0 条,得分 0 分,平均 0 分)

推荐阅读

图文阅读

Copyright © 2007-2017 down.gzweix.Com. All Rights Reserved .
页面执行时间:92,320.31000 毫秒