·上一文章:检修雪佛兰科鲁兹气囊灯和立刻维修灯亮
·下一文章:检修毕加索空调系统不能正常工作
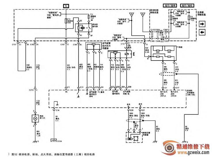
一辆行驶里程仅有2500km的雪佛兰乐风轿车出现有时打不着车,发动机故障灯亮。
接车后:连接TECH2检查发动机控制模块有一个故障码:P0230,燃油泵继电器控制电路。设置故障码的条件:发动机控制模块检测到燃油泵继电器控制电路的电压不正确。

查看电路图(如图52所示)可知:燃油泵继电器的控制线圈由发动机舱保险丝盒提供正电压,发动机控制模块(ECM)控制此线圈搭铁回路。当点火开关首次转至“ON” 的位置时,发动机控制模块使燃油泵继电器通电,该继电器给燃油泵提供电源。只要发动机正在启动或运行并接收到曲轴参考脉冲信号,动力系统控制模块就会使燃油泵继电器通电。如果未接收到曲轴参考脉冲信号,发动机控制模块就会在2s后使燃油泵继电器断电。发动机控制模块监测燃油泵继电器控制电路上的电压,如果发动机控制模块检测到燃油泵继电器控制电路的电压不正确,则设置 P0230。
试车发现每次都拔下钥匙后再打开点火开关,也就是首次转至“ON”的位置时,如果听不到燃油泵2s的运转声音,再拧到启动(START)位置就打不着车;如果燃油泵正常运转了2s,再拧到启动位置就可以顺利打着车。
可能的原因有:①燃油泵内部故障,如炭刷磨损等;②燃油泵搭铁点松动;③从发动机舱保险丝盒上的燃油泵继电器到燃油泵的电源线接触不良;④燃油泵继电器内部损坏,比如触点氧化,接触不良;⑤发动机舱保险丝盒内部接触不良或外部接插件接触不良。
故障排除:重新处理紧固燃油泵搭铁点,更换燃油泵及燃油泵继电器反复启动试车,有时燃油泵仍然不运转,用导电胶处理发动机舱保险丝盒插接件C101和C102,并重新紧固后,反复试车故障排除。