一辆行驶里程约19万km的2008年一汽大众波罗。该车加装前后行车记录仪,最后交车时发现行李箱无法用手动开关按压解锁,只能够用机械钥匙解锁。
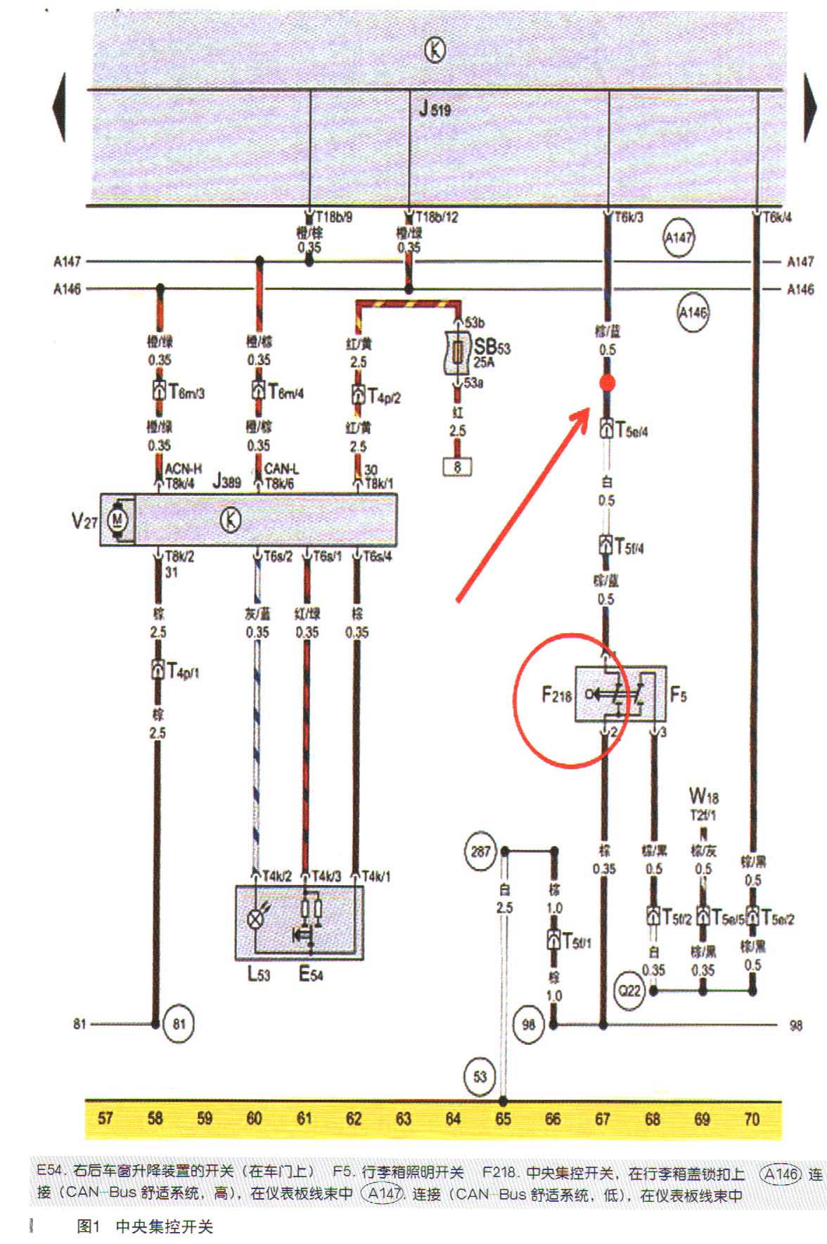
故障诊断:本人过去观察,发现除了无法用手动按压尾门开关解锁外,用钥匙打开行李箱后,行李箱照明灯也不亮。初步判断,此故障原因有二。(1)可能为加装行车记录仪的时候,接线接错,导致锁止/请求解锁信号错误。于是询问了装行车记录仪的同事,结果,同事反映,接了行车记录仪后视摄像头的线后,曾经试过多次用手开启行李箱的开关,在车辆解锁的状态下,正常解锁尾门锁,且行车记录仪工作正常,挂倒挡的时候,后视会自动切换成大屏。于是由于加装行车记录仪导致的可能性暂时排除。(2)此车本来就有此故障现象,即为旧故障,于是打电话与车主沟通,车主说有时候可以用手动按压开关解锁,并要求查明原因,解决故障。用X431 PRO进舒适系统,发现有一个行李箱锁止状态信号不可靠故障码。找到该车行李箱手动按压开锁开关的参考电路图(如图1所示),结果发现手动开关是通过机械杠杆放松中央集控开关,松开其中一个微动开关来给中央模块信号的。于是问题故障源集中在三个方面:①行李箱锁块(带锁止状态)或线路故障;②行李箱中央集控开关或线路故障;③中央模块故障。

本着从易到难的思维,先测量了行李箱锁块在开锁、关锁时候的状态,信号无误!于是再次测量了中央集控开关的通断,发现也没有问题。拔下中央模块的插头,量到了中央模块到中央集控开关的线路,也都是通的。观察线束各转弯部位,没有明显磨破皮的迹象。至此,只能用换件法来试,先更换了行李箱锁块,结果问题没有解决。而此车的中央集控开关很难找到配件。再次仔细研究手动开关开行李箱门工作原理为:按压尾门拉手上的开关,通过杠杆原理,释放被中央集控开关压住的按钮,提供接地信号给中央模块,中央模块在检测到车中控解锁的情况下,提供电源给解锁电机,电机启动顶一下与机械钥匙连接的拉杆,从而达到了与机械钥匙开锁同等的效果。分析到此,另外一种可能性出来了:解锁电机卡死导致手动按压尾门锁时无法开启。以为找到问题,于是马上用试灯检测了在按压手动解锁按钮的时候是否有电源过来,结果失望地发现,按压手动解锁按钮时,电机侧并无12V电源过来。难道真的是中央模块内部故障导致?会不会是电机卡死导致中央模块多次尝试无果,而切断电源输出?于是用手拉动解锁电机,发现电机确实无法拉动!电机问题?为了保险起见,决定外接12V电源来测试电机,结果发现电机可以正常伸出马上缩回,而调换输入电机的正、负极后,电机并无动作。联想到之前测试某车的油箱开启电机,也是同样的结果,表明:电机也无问题。
难道真的是中央模块问题?但按目前的检测结果确实显示是这样。会不会我们忽略了什么细节?有时候,一个细节决定故障的方向:车主说之前有时候可以用手按开关直接解锁,但我们试了这么久,没有一次成功的,是不是我们运气不好?还是其他问题?于是先还原到原来的状态再做诊断。决定拔下行车记录仪后视连到主机的插头,结果:奇迹出现了,按压行李箱开关,能够正常解锁,且打开行李箱后,行李箱照明灯亮。拆下后视摄像头的倒车信号线,发现负极接在了中央集控开关F218的接地线上(图1箭头红点外)。
故障排除:拆除行车记录仪的倒车信号线负极(不装也可以,通过行车记录仪内部接地),行季箱门在车辆解锁状态下,按压开关可以解锁。
故障总结:(1)此故障的原因为装行车记录仪的时候,行车记录仪倒车信号线负极接到中央集控开关的开锁的信号线上,造成了中央模块一直接收到的信号为:请求开启,导致了报行李箱锁止状态信号不可靠故障码,而中央模块为了安全起见,关闭了手动按压开关的功能。虽然第一时间问询了是否装行车记录仪,但是在装了后摄像头后,同事在试后门解锁的时候没有发现故障现象出现,造成了故障判断走偏。(2)像这种行李箱门开启功能,是与用手动钥匙开启同样原理的,其电机一般是“单向”,即正负极接错是无法解锁的,用手拉拔电机的顶针,要用相当大力才能够拔得动,这并非是电机故障,而是设计的时候故意而为,即为了防止车辆在颠簸时行李箱门会自动开启,造成不必要的麻烦。类似的设计还有油箱盖开启电机。(3)此案例维修时开始虽然考虑了行车记录仪的后视倒车信号线接线错的可能性,但并没有断开后视插头去试,导致诊断走了些弯路。这也提醒我们,在加装设备的时候,一定要小心接电源与搭铁线,确保线路不会接错。(4)值得一提的是,许多行车记录仪,其后视倒车信号线只接正极即可,因为机器内部还有一条或者多条搭铁线,这样少接一条线可以免去负极接错的情况,也可以减少工作量。(5)许多模块,在故障源消除后,需开关钥匙电门一次其功能方能恢复正常。本案例中亦如此:在开锁状态下,钥匙在ACC状态下,拆了行车记录仪后视插头,再测试行李箱手动开关功能时功能不正常,但是开关钥匙一次后功能正常了。