首 页文档资料下载资料维修视频汽修在线平台
请登录  |  免费注册
当前位置:精通维修下载 > 文档资料 > 汽车技术 > 汽车维修 > 问界维修案例
问界M7充电后不能拔枪
来源:本站整理  作者:佚名  2026-04-15 14:07:13

 故障现象:用户反馈充电后无法拔枪

诊断过程:
1、M7充电后拔枪逻辑:只有在充满电后车辆会主动解锁电子锁,此时可以直接拔枪;其余情况(没有充满电)需要用户通过钥匙解锁按钮解锁(四门解锁)后电子锁才会解锁后才能拔枪;1、M7车型在车辆解锁状态(电子锁没有弹出来)充电会出现降功率充电,车一直处于解锁状态隔2分钟时间后,虽然车处在解锁状态车辆但充电会恢复全功率充电(电子锁又会自己弹出来)。2、据说后面软件版本会改逻辑,改成只要不充电或者充电异常,电子锁都不会上锁,具体那个版本能改成此逻辑现在还不确认。
2、实车确认充电后无法拔枪是偶发还是每次必现,检查充电枪按钮是否正常
3、用诊断仪进BCM,在BCM中做电子锁动作测试,确认电子锁能否正常弹出或者缩回,如果动作测试正常说明线路无异常
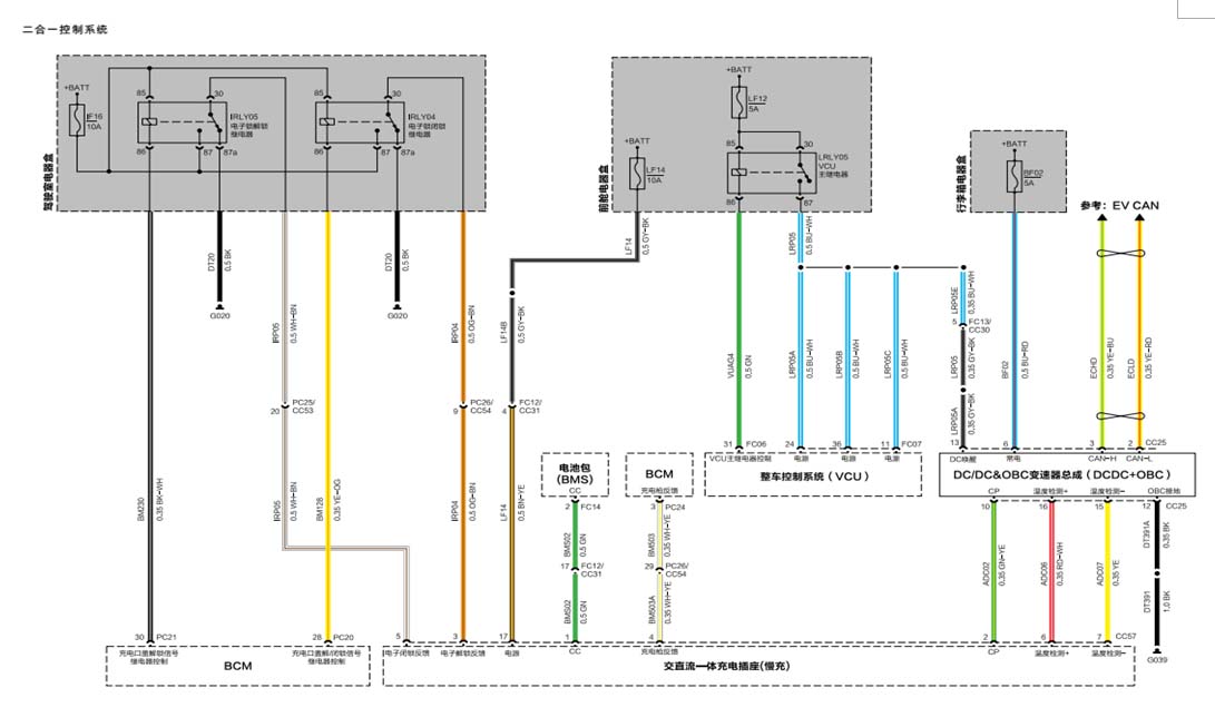
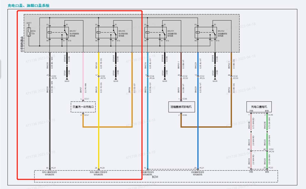
从电路图可以看出BCM30、28针脚是控制电子锁解锁、闭锁继电器的负极搭铁,   ,从继电器和电路图可以看出此继电器属于双触点继电器,在排查过程中可以测量3、4和3、5接触时候的电阻,此继电器在正常时候是毫欧级别的电阻,在测量过程中如果出现几欧姆、几十欧姆、几百欧姆的时候需要直接更换继电器
4、排除继电器故障后,需要直接用万用表检测电子锁本身是否有故障,电子锁的正常工作电压为9-16V
 
在CC57插头上找到红、黄线束,给红黄线束单独供12V的电源,使其电子锁处于弹出状态(如果此时电子锁是缩回状态,则仅把红黄线正负极交换一下即可),然后用万用表通断档测试蓝、黄线,此时万用表因发出蜂鸣声则说明电子锁本身无异常。
故障总结:M7充电后无法拔枪在实际过程中出现的频率较高,这个有人为操作原因也有车辆实际故障,在遇见车辆实际故障后本着先易后难的原则,先用诊断仪做动作测试、检测继电器、检测电子锁,最终锁定故障。

关键词:

文章评论评论内容只代表网友观点,与本站立场无关!

   评论摘要(共 0 条,得分 0 分,平均 0 分)

推荐阅读

图文阅读

Copyright © 2007-2017 down.gzweix.Com. All Rights Reserved .
页面执行时间:1,015.62500 毫秒