首 页文档资料下载资料维修视频汽修在线平台
请登录  |  免费注册
当前位置:精通维修下载 > 文档资料 > 汽车技术 > 汽车维修 > 问界维修案例
问界M7前雨刮不喷水
来源:本站整理  作者:佚名  2025-12-31 08:46:48

故障现象:客户到店保养后,发现前雨刮不喷水。

诊断思路:
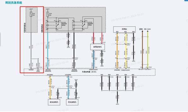
1.用诊断仪进行读取BCM故障,无故障码。
2.根据故障码、电路图分析从易到难进行检查,首先从前雨刮喷水保险丝下手,测量保险丝无熔断。
3.手动操作前雨刮喷水开关,用万用表检查无电压输出,尝试用诊断仪在BCM里面控制功能打开前雨刮喷水,有电压输出,且会喷水。说明BCM到前雨刮喷水电机线路正常。
4.然后根据维修手册检测组合开关,根据组合开关数据分析,组合开关有信号输出,说明组合开关正常。从这里分析可以得到结论BCM到喷水电机正常,组合开关输出信号正常,现在可以判断出问题出在组合开关到BCM之间的问题。咨询了技术老师,BCM到组合开关走的CAN网络。
根据技术老师指导,CAN网络有问题的话,应该其他部件也会出现问题。但是全车其他无任何问题。这就陷入沉思了。后来无意间发现同款车机盖打开也是不喷水,尝试关闭故障车机盖会后,故障就排除了。由此可以推断应该是逻辑问题,BCM接收到机盖开启信号,从而禁用了雨刮喷水功能。
案例总结:
在维修中不能盲目的拆装,要结合诊断仪和系统图及车辆控制逻辑分析故障,在近一步排查,使快速准确排除故障,提高维修效率。

关键词:

文章评论评论内容只代表网友观点,与本站立场无关!

   评论摘要(共 1 条,得分 85 分,平均 85 分)
[回复] 11111111   打分:85 分  发表时间:2026-03-27
· 这个案例是我很早写的

推荐阅读

图文阅读

Copyright © 2007-2017 down.gzweix.Com. All Rights Reserved .
页面执行时间:968.75000 毫秒