首 页文档资料下载资料维修视频汽修在线平台
请登录  |  免费注册
当前位置:精通维修下载 > 文档资料 > 汽车技术 > 汽车维修 > 本田维修实例
本田雅阁踩刹车按一键启动起停按钮,只能开启II档,无法切换到起动档
来源:本站整理  作者:佚名  2021-08-17 08:34:45

1)  DTC再现,执行IG1 MISS SOL线路检查,测量PCM A11端子,在ON模式,无蓄电池电压,检查B8(仪表板下保险丝l继电器盒)。
2)测量B8为断路,更换。
5.更换B8后,DTC P2720己清除且无其他DTC,但起动机可运转而发动机无法起动。至此,只可按发动机基准信号、进气、喷油、点火、压缩比等方面进行检测。
 
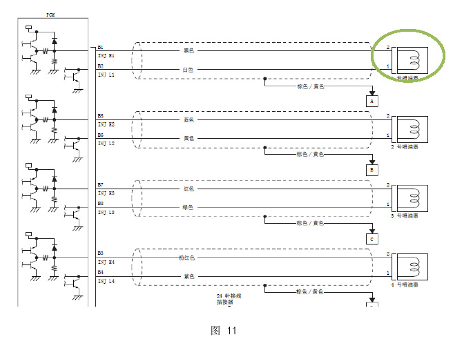
1)如图9, ON模式时,测量喷油器电路时,无电压,正常为3.2V.
2)从电路图可看出,喷油器由PCM直接控制,为直喷发动机的控制变化点之一,类比于ETCS继电 器和节气门的控制关系,发现如图2的喷油继电器,判断此继电器为喷油器提供控制电源,ON模式下,测量喷油器电源端子A6和A7,无蓄电池电压,异常。
3)根据图2,测量发现A10(发动机盖下保险丝l继电器盒)断路,更换。
6至此,所有PCM电源故障点均被逐一排除。
故障排除:逐一更换保险丝B9, B8和A10。
 
经验总结:
1、此故障考核的是对PCM相关电源的理解和对比,即使现实中未必会同时出现多个不同的PCM电源故障,只要理解了每个PCM电源的原理和作用,均可解决不同的PCM电源组合的故障
2、此故障中未包含的PCM其他电源,请参考技术月报第12期“09款GE6行驶中熄火”和第18期"PCM的VCC端子说明”的解析说明。
3、另外整车供电方式的控制由点火开关变为无钥匙进入单元控制的辅助继电器,如图10。无钥匙进入单元需要获取到起停按钮、档位开关和转向锁等的信号才能控制辅助继电器有效工作。
辅助继电器各端子的控制关系如表1,其中端子IG1-A SIG和IGI-B SIG是相通的。
 
相关资料:精通汽修在线平台 99元VIP包年超值体验

上一页  [1] [2] [3] 

关键词:雅阁

文章评论评论内容只代表网友观点,与本站立场无关!

   评论摘要(共 0 条,得分 0 分,平均 0 分)

推荐阅读

图文阅读

热门阅读

Copyright © 2007-2017 down.gzweix.Com. All Rights Reserved .
页面执行时间:100,554.70000 毫秒