一辆行驶里程约6.3万km、配置3.0L发动机的2013年宝马X5。客户反映:该车启动比较困难,有时多启动几次就能着车,有时怎么都不能启动,据说之前还在其他修理厂更换过继电器。
故障诊断:技师验证车主描述的故障确实存在,连接车辆故障诊断仪,检测到系统存储有状态为当前的故障码(DTC):
2A61燃油喷射供电电压的点火开关和喷射装置继电器断路,如图1所示。

技师根据故障码内容,首先想到的是燃油泵继电器供电故障或燃油泵继电器自身故障。决定观察一下客户所说的之前已经更换过的继电器是否良好,是否有安装时的人为隐患。
因为对宝马车系不熟悉,一时没找到燃油泵继电器,请教了行业内的老师,获知这车的油泵继电器是集成模块控制,差一点闹了笑话。
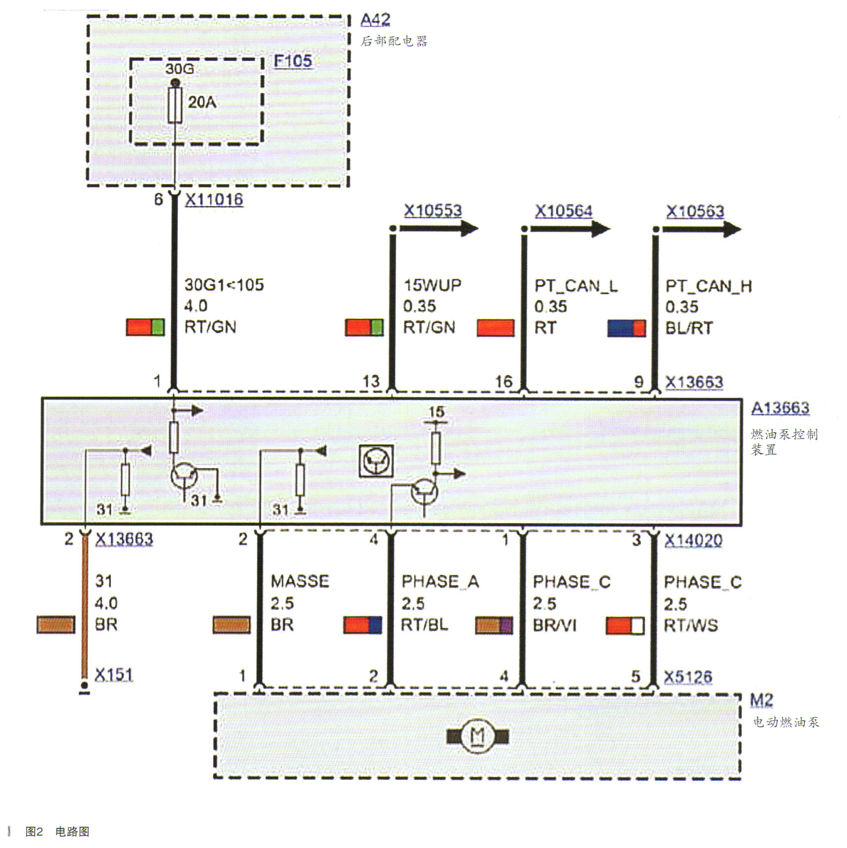
查阅相关电路图资料(如图2所示),技师明白电动油泵的工作受燃油泵控制器的指令。随后测量了集成控制器的供电F105保险丝(20A),正常;而进一步的检查还需拆下集成控制器总成以及它的接插件端口。
根据资料中的位置图,得知这个集成控制模块的位置在机舱右侧导水槽位置,如图3所示。集成模块如图4所示。
拆下燃油控制器的集成模块,拔去插头就发现了问题,原来插头针脚部分进水,长期潮湿导致针脚腐蚀,最后造成线路板时有时无的断路现象,如图5所示。
更换一个新的燃油泵集成供电模块,经试车确认故障排除。
故障总结:故障不算复杂,但开始就因不熟悉车型而导致无法对症下药,忽视了动手前查阅维修手册的要点。好在能及时改正自己的不足,准确找到了故障点。
在更换新的配件之前,技师考虑到模块进水的故障原因,除了安装位置在机舱导水槽容易受潮外,直接原因是导水槽排水孔堵塞,雨天或洗车时排水不及,造成水淹供电模块,如图6所示。
所以施工中重新清理了导水槽及排水孔,消除排水不畅的隐患,同时也告知车主,平时需要经常检查,做好预防工作。