东芝37 WL55 C液晶彩电电源板由型号为PD2105B-2 23590206B的抗干扰和整流滤波电路板+型号为PD2105 B-1 23590206B的主、副电源电路板两块电路板组成,电源板集成电路组合采用STR-W6765+STR-24369两个厚膜电路,组成主、副两个开关电源,副电源输出40V、18V和5V1、3.3V、6.5V3电压,为主板控制系统和小信号处理电路供电。主电源输出AUDIO-VCC、BL-VCC、VCC-LCD电压,为伴音功放、逆变器、显示屏电路供电。
一、电源板原理精讲
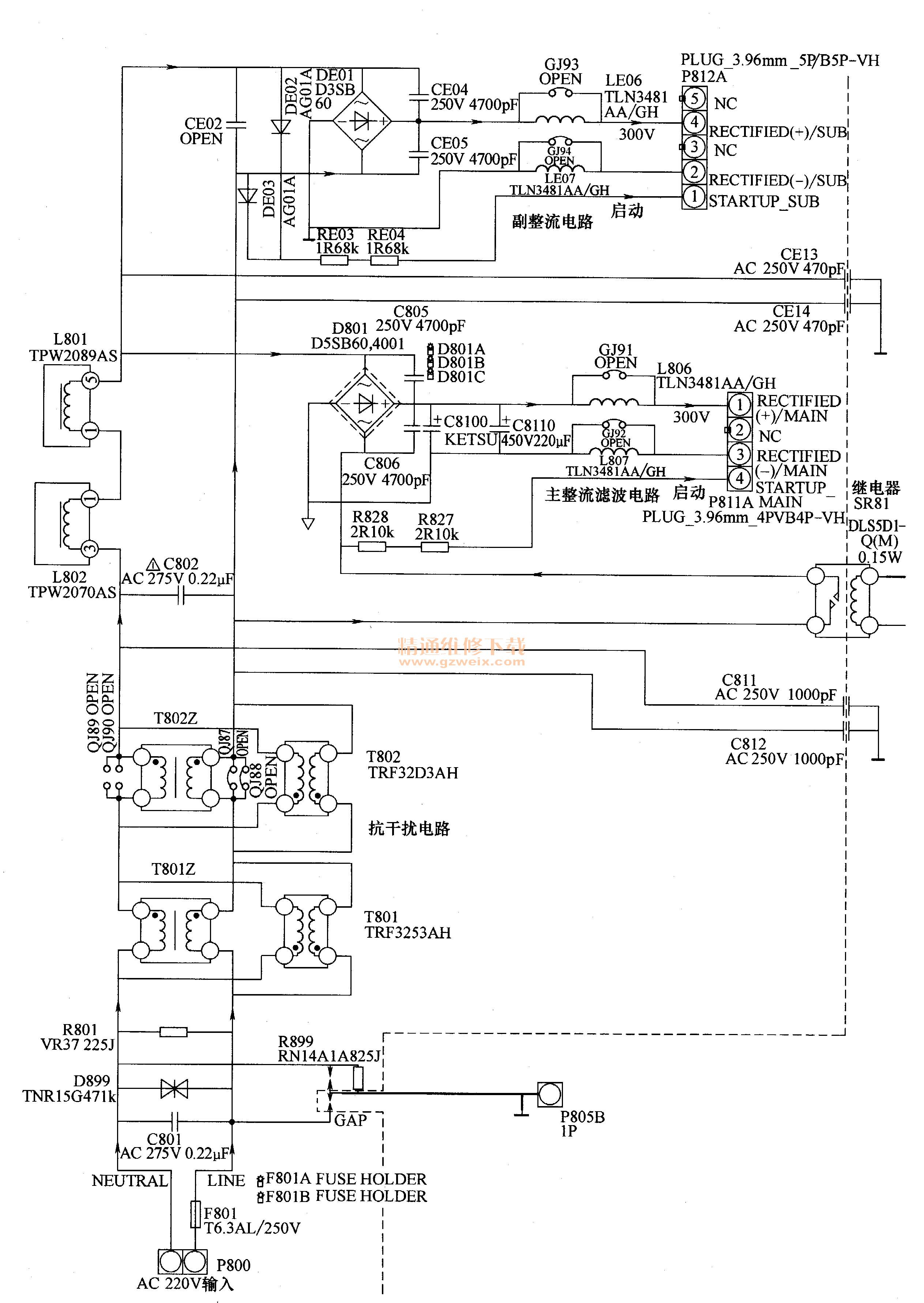
东芝37 WL55 C液晶彩电电源板实物图解如图6-18所示,上部是抗干扰和整流滤波电路板实物图解,下部是开关电源板实物图解,电源板电路组成框图如图6-19所示。



该电源板由两部分组成:一是以厚膜电路STR-W6765(QE01)为核心组成的副电源,通电后首先工作,产生40V、18V电压,40V电压经过降压稳压后产生32V,为高频头提供调谐电压;同时整流滤波后的电压经QE40、QE73厚膜、QE93降压后,产生5V1、3.3V、6.5V3电压,为主板控制系统和小信号处理电路供电。二是以大功率厚膜电路STR-74369(Q801)为核心组成的主电源,遥控开机后,继电器吸合,将AC 220V市电送到主整流滤波电路,整流滤波后为主电源供电,主电源启动工作,产生AUDIO-VCC电压,为伴音功放电路供电;产生BL-VCC电压,为背光灯逆变器电路供电;产生VCC-LCD电压,为背光灯显示屏电路供电。
1.抗干扰和整流滤波电路
(1)抗干扰电路
东芝37 WL55 C液晶彩电电源板抗干扰和整流滤波电路如图6-20所示。抗干扰电路主要由C801、T801、T802、C802、C811 、C812、L802、L801、CE13 、CE14组成。利用电感线圈和电容器组成的共模滤波电路,滤除市电电网干扰信号,同时防止开关电源产生的干扰信号窜入电网。


(2)整流滤波电路
滤除干扰后的市电,一是送到副电源整流滤波电路DE01,整流后送到副电源电路,经CE10滤波后为副电源供电,副电源首先工作,为主板控制系统和小信号处理电路供电,指示灯点亮;二是遥控开机后,主板送来高电平POWER-SIG开机电压, Q852、Q851导通,继电器SR81吸合,AC 220V经SR81送到主整流全桥D801,经D801整流、C8100滤波后送到主电源,再经C810滤波后为主电源供电,主电源启动工作,为主板伴音功放和背光灯板和显示屏电路供电。
(3)开关机控制电路
开关机控制电路由继电器控制电路和低压供电控制电路两部分组成,有关低压供电控制电路详见下面的副电源电路和主电源电路的输出与控制电路相关介绍。其中开关机继电器控制电路位于抗干扰和整流滤波板上,如图6-20右侧所示,由Q852、Q851和继电器SR81组成。遥控开机时,主板送来POWER-SIG开机高电平,Q852、Q851导通,继电器SR81吸合,AC 220V经SR81送到主整流滤波电路D801、C8100,整流滤波后为主电源提供300V供电,主电源启动工作;遥控关机时,POWER-SIG变为低电平,Q852、Q851截止,继电器SR81释放,切断主电源的AC 220V供电,主电源停止工作。