·上一文章:基于嵌入式ARM-Linux无线ZigBee协调器驱动设计
					·下一文章:奥马EA-290专业功放电路分析
				
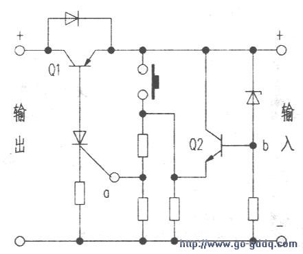
		       本电路由11个元件组成,电路简洁,反应灵敏,其应用范围也比较宽广,电压范围和功率容量可以通过使用不同的器件而改变,并且可采用贴片元件,使体积进一步减小。
电路如上图所示。在电压正常的情况下,b点电位较高,故a点电位相应也较高;晶闸管导通,所以Ql导通,输出端的负载正常1工作。当输入电压降低到一定程度时.b点电位相应下降,Q2导通程度减弱使a点电位降低,可控硅关断,使Ql截止,切断了对负载的供电。当外部电压正常或电池充足电后,对其手动复位即可。若需安装指示电路可按下图所示安装,采用三色发光二极管进行指示即可。
本电路可用于电动车、充电灯、矿灯等对铅酸电池进行过放电保护,也可接入低压直流供电回路中保护负载。在此,在应用铅酸电池的场合中,应尽量加装欠压保护器,并能在单格电压降至1.9V左右时实行保护,以延长电池的使用寿命。
注意本电路在不同的应用场合应合理选择器件,并留有一定余量,以保证电路的稳定工作。

