·上一文章:一款不用LC低通滤波器的D类放大电路
					·下一文章:减小升压型开关电源电流损耗的方法
				
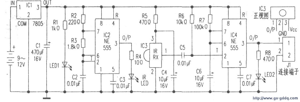
		       这种红外接近检测器(下图)可以用于自动开门、自动放水、自动照明、防盗报警电路等等。接近检测器主要由红外发射器和接收器组成。
  发射器部分由作为振荡器工作的555定时器IC2为核心。IC2的输出经限流电阻R4送到红外线(IR)LED。发射器的振荡频率为38kHz.占空比为50%,以满足检测器/接收器模块的要求。西门子公司的SFH5110-38作为接收模块.调谐频率为50%占空比的38kHz连续方波。
接收器部分由红外线接收模块IC3、555单稳触发器IC4和LED指示器组成。根据收到的红外信号,IC4触发导通,井在接收红外信号的周期内维持导通。当信号中断时,单稳电路IC4在几秒钟后关闭,具体时间由定时元件R7和C6确定(T=I.IR7xC6)。因此,若R7=470kΩ,C6=4.7μF.则单稳周期约为2.5秒。
发射器和接收器可单独安装在PCB板上,红外线接收模块必须安装在红外线LED的后面,以避免由于红外线泄漏而导致虚假指示。右图是推荐的红外线LED与红外线接收模块分隔安装的示意图。
在附近移动的物体反射由红外线LED射出的红外线。红外线接收模块的灵敏度角约为0-600。因此,当反射的红外线被检测到时.IC4被触发,其输出信号可以以任何需要的方式使用。例如,当有人接近时,通过继电器吸合来接通一照明灯。在此人离去几秒钟(单稳时间)后就自动关断。
检测器的灵敏度取决于与红外线LED串联的限流电阻R4.接近检测的范围大约为40cm。若取R4为20Ω时.可以检测到25cm处的物体,而改用R4为30Ω时,检测范围就减少至22.5cm。
