乐华健康王系列彩电,采用日本三菱公司设计的机芯,微处理器采用M37160M8—058FP系列,色度解码、视频及行场小信号处理IC采用M61260/61264/61266,该系列彩电的主要机型有:N21K7、N21K8、N21K9、N25K8等。为了便于叙述,下面以N21K8型机为例全面介绍其工作原理。
一、整机概述
N21K8型机共采用7块集成电路,其名称与位号见下表。
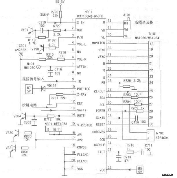
由于M61260/61264内含中放、视频检波、AGC、AFT、伴音鉴频、亮色分离、亮度信号处理、色度解码、基色矩阵、同频分离及行场小信号形成与AV开关等电路,加之该IC与微处理器系配套设计,因此整机电路非常简洁,其整机结构框图如上图所示。
| 位号 | 型号 | 名称 | 位号 | 型号 | 名称 |
| N101 | M61260/61264 | 解码块 | N801 | CD4053/HCF4053 | 转换开关 |
| N501 | 817B | 光电耦合器 | N451 | LA7840 | 场输出 |
| N601 | M37160M8—058FB | 微处理器 | IC301 | AN7522 | 伴音功效 |
| N702 | AT24C04,24LC04 | 存储器 |
二、微处理器控制电路
该系列彩电微处理器采用M37160M8—0roSFB(N601)或M37160M8一qY03或M37160M8—064。这三种微处理器的主要区别是屏显文字可供选择的内容不同,M37160M8—058FB屏显可选择中、英文,而M37160M8—063、M37160M8—064除能显中、英文外,还能显示法、印尼、越南文等。
由于N601与N101为组合设计,因此N601外围的元件极少。N601(27)-(39)脚分别与N101(30)-(18)脚连接,如下图所示。该控制电路能在IIC总线控制下实现多种控制功能,如多制式切换、画面变焦(ZOOM)、童锁、万年历、游戏等。
N601(13)脚为工厂调试端口。当此脚电压为低电平时,外部器件可通过总线控制存储器及N601内部的解码电路,进行白平衡调整。
N601(10)脚为保护检测端。开机后B7(给微处理器供电)电压为5V,VDl33截止,N601(10)脚电压为5V;当待机或电源异常致使B7电压无输出时,Ⅵ)133导通,N601(10)脚电压下降,微处理器进入保护状态。
该控制电路在总线设置下可对Tv/AV、波段选择、音量控制等进行方式选择,以适应不同的外围电路,例如在音量控制方面,可对总线“SERVCJ4”中PWM项(项目号为5)进行设置,实现内部音量控制、一路PWM输出控制、两路PWM输出控制、音效IC控制的选择。当此项设为“1”时,其音量控制方式为一路PWM输出控制,
N601(6)脚为音量控制输出端,(4)脚空;若将此项设为“2”时,其音量控制方式为两路PWM输出控制,N601(4)、(6)脚均为音量控制输出端;若将此项设为“O”或“3”时,N601(4)、(6)脚均无音量控制功能。N601(14)脚为静音控制端。当按下“静音键”时,N601(14)脚电压为5V,V604饱和导通,音频功放电路IC301(9)脚电压下降至OV左右,扬声器中无声。

