该RLC测量仪如小型万用电表般大小。携带方便。特别适合上门维修用。其测量精度较高,极省电,一块6V层叠电池可工作一年。
一、主要特点与技术指标
仪器采用磁电式电表表头指示被测元件参数。用一个转换开关进行位转换,十分方便。其突出特点是:利用测脉冲宽度来测量R、L、C值,精度与电源电压基本无关。该电表表头为线性刻度。读数精度高。
其主要技术指标如下:
电阻:1On~1MQ,分5挡,误差±2.5%;电容:10pF~101xF,分6挡,误差±2%;电感:0.1mH一10H,分5挡,误差±2%;三极管放大倍数HFE:0--300(参考值)。
二、电路工作原理
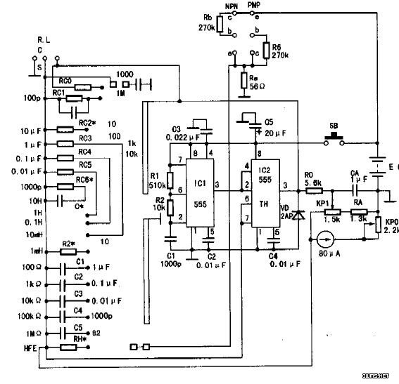
实测的电路原理如下图所示。下图中,S为挡位转换开关,其接点上的阻容元件构成各挡位的测量网络。IC1(NE555)接成多谐振荡器,用来产生周期性的触发脉冲。其下降沿触发由IC2(NE555)组成的单稳态电路。IC2触发后,输出一个单稳正脉冲。脉冲宽度由IC2TH端(⑥脚)的测量网络决定。
电容、电阻的测量原理见右图。
IC2的TH端接待测电阻R.x和电容Cx。单稳脉冲宽度T=1.1P,.xCx。
在脉冲幅度不变的情况下,1C2输出的平均电流A与C成正比。即与R.xCx成正比。因而,接在IC2输出端的电流表指示的电流与R.x或Cx的值成正比。固定Rx,可以测量Cx;固定Cx,就可以测量Rx。选取适当的R、c值,就构成了测量R、C的多个挡位。
左图是测量电感时的原理图。Lx为待测电感,R为挡位电阻。R的大小由挡位决定,原理与R、c测量一致。不同的是。左图中的电路输出的脉冲宽度T=1.1Lx+l~。固定,就可以用来测量Lx。选用不同的R,就可以构成多个测量电感挡位。三极管的放大倍数HFE的测量与普通万用表的原理一样,这里不再赘述。因为测量HFE时。IC1与1C2不能工作.故测量HFE时SB不得按下,否则会出现错误指示。
下图中,KP1为校正调节电位器。使用时,首先将S拨至校正挡.按下电源开关SB,调节KP1,使电表指示满刻度。即先进行校正。校正完成后,松开SB按钮,就可以进行测量了。把S拨至所需的测量挡位,从相应接口接人待测元件(注意:不得同时接人两种元器件)。按下开关SB,表头上便会有指示,将指示值与所设置挡位倍率相乘,即是该测试元件的参数。
需要指出的是:在测量电容时,即使不接人待测电容,也会有少量指示值。这是由于分布电容及时基电路的特性造成的起始误差。为了消除这种起始误差,满刻度的5%以下不作刻度。当测量值在满刻度的5%以下时。应转换至较小挡位来测量(以尽可能避免测量误差)。
分布电容的存在,对于1000pF以下的电容测量挡会造成较大的测量误差。可通过接人电容c的方法来消除分布电容的影响。先接人一只1000pF高精度电容。再选择接人适当容量的c★,使表头正好满刻度。注意:此前必须将表在S挡位校准。否则将有误差。100pF电容挡调试方法与之相同。,在仪表测量网络中,10H电感测量挡与1000pF电容测量挡共用电阻RC6*。由于c的接人。将使10H挡电感值偏大,适当调大lkC6*的值,可消除误差。加大lkC6*的值会影响1000pF电容挡的测量精度,因此还要重调C值。反复调整RC6与c值,可使两挡位的测量精度都达到要求。
测量电路中的电阻要用精度为±1%的金属膜电阻,测量电路中的电容选精度为±1%的玻璃釉电容。如果买不到误差为±1%的电容,可在误差为±5%的电容器中筛选,注意,不得采用独石电容器(其性能不够稳定)。其余电阻选±5%的即可。电容器CA最好不用电解电容。本测量仪对阻容元件的要求相当苛刻,IC1、IC2可用NE555、5G555等。本测量仪采用80A的内磁电流表头,也可以用其他微安表头,甚至毫安表头。因为555的输出电流达200mA,足以驱动毫安表。当然,选不同的表头,需对R.0作相应的调整。
在组装焊接完毕,并检查接线无误后,就可进行调试了。首先,把S拨至校正挡,这时表头有指示说明测量仪工作基本正常。调节电位器KP1,应能使表头达到满刻度,否则须调整K0的值。调节KP1,使调节范围在全刻度的范围左右适中。
电位器KP0是用来微调表头灵敏度的,应先将其调至中间位置。
本测量仪电流消耗在7mA左右。测量完毕后,应断开电源开关sB,切断电源。
