• 测量T73a/17端子,踩刹车踏板电压为0V;不踩刹车踏板时,为
蓄电池电压13.18V,数据正常,如下图所示:

• 测量T73a/18端子,踩刹车踏板为
蓄电池电压13.18V;不踩刹车踏板的时候为0V,数据正常,如下图所示:

这些数据都是正常的 这些数据都是正常的 这些数据都是正常的 这些数据都是正常的 ;发动机端子没有现 发动机端子没有现 发动机端子没有现 发动机端子没有现 松动 、退针的现象 、退针的现象 、退针的现象 ;车辆 静态测量 时未发现问题; 时未发现问题; 时未发现问题;
再次 路试, 路试, 发现 加不上油 加不上油 时,踩了 一下 刹车踏板,辆就可以 刹车踏板,辆就可以 刹车踏板,辆就可以 刹车踏板,辆就可以 正常 加 油提速 了,检查重点仍然放在制动信号上 检查重点仍然放在制动信号上 检查重点仍然放在制动信号上 检查重点仍然放在制动信号上 检查重点仍然放在制动信号上 检查重点仍然放在制动信号上 ;
故障发生时, 故障发生时, 立即 停止车辆, 重新测量制动开关 重新测量制动开关 重新测量制动开关 信号 ,发现 T73a/17 T73a/17T73a/17 T73a/17T73a/17针脚,在 刹车踏板 刹车踏板 踩下和 抬起 时都为 0V ;
查看 前舱线束与仪表板对接插头 前舱线束与仪表板对接插头 前舱线束与仪表板对接插头 前舱线束与仪表板对接插头 前舱线束与仪表板对接插头 T23a/8 T23a/8T23a/8 T23a/8,没有 松动 、退针的现 、退针的现 象;
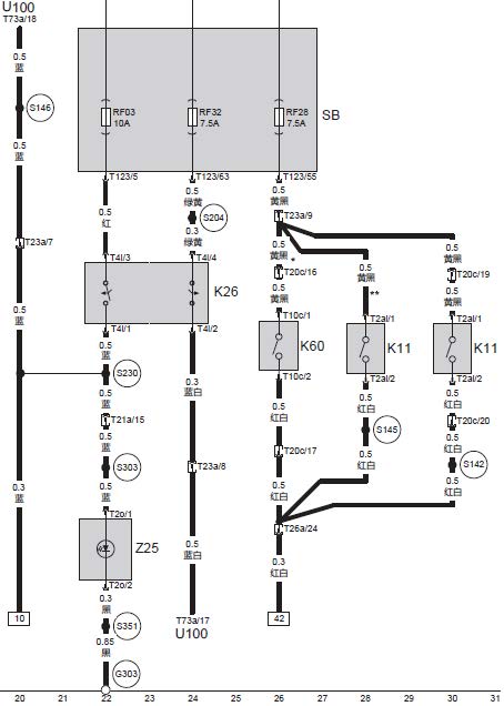
制动 开关 K26 的电路图如下所示: 电路图如下所示: 电路图如下所示:

拆下刹车开关,测量制动开关T4I/1与T4I/3管脚,按下开关,此两管脚有时导通、有时不导通,如下图所示;正常的制动开关,按下时,此两管脚导通,未按下时不导通;确定制动开关故障。

修理结果:更换制动开关,路试故障排除。
维修总结:发动机电脑中有制动开关相关的故障码,如“P0504 制动开关相关性故障”。此车虽然可能按EMS中设定报码条件尚未满足,但维修中,应针对实际的现象,重点检查可能的故障部件。
相关资料:2015年北汽绅宝D60维修手册电路图上一页 [1] [2]