首 页文档资料下载资料维修视频汽修在线平台
请登录  |  免费注册
当前位置:精通维修下载 > 文档资料 > 汽车技术 > 汽车维修 > 奔驰维修实例
奔驰GLC260仪表自动灯光停止运作检修
来源:汽车维修技师  作者:佚名  2019-12-29 07:38:16

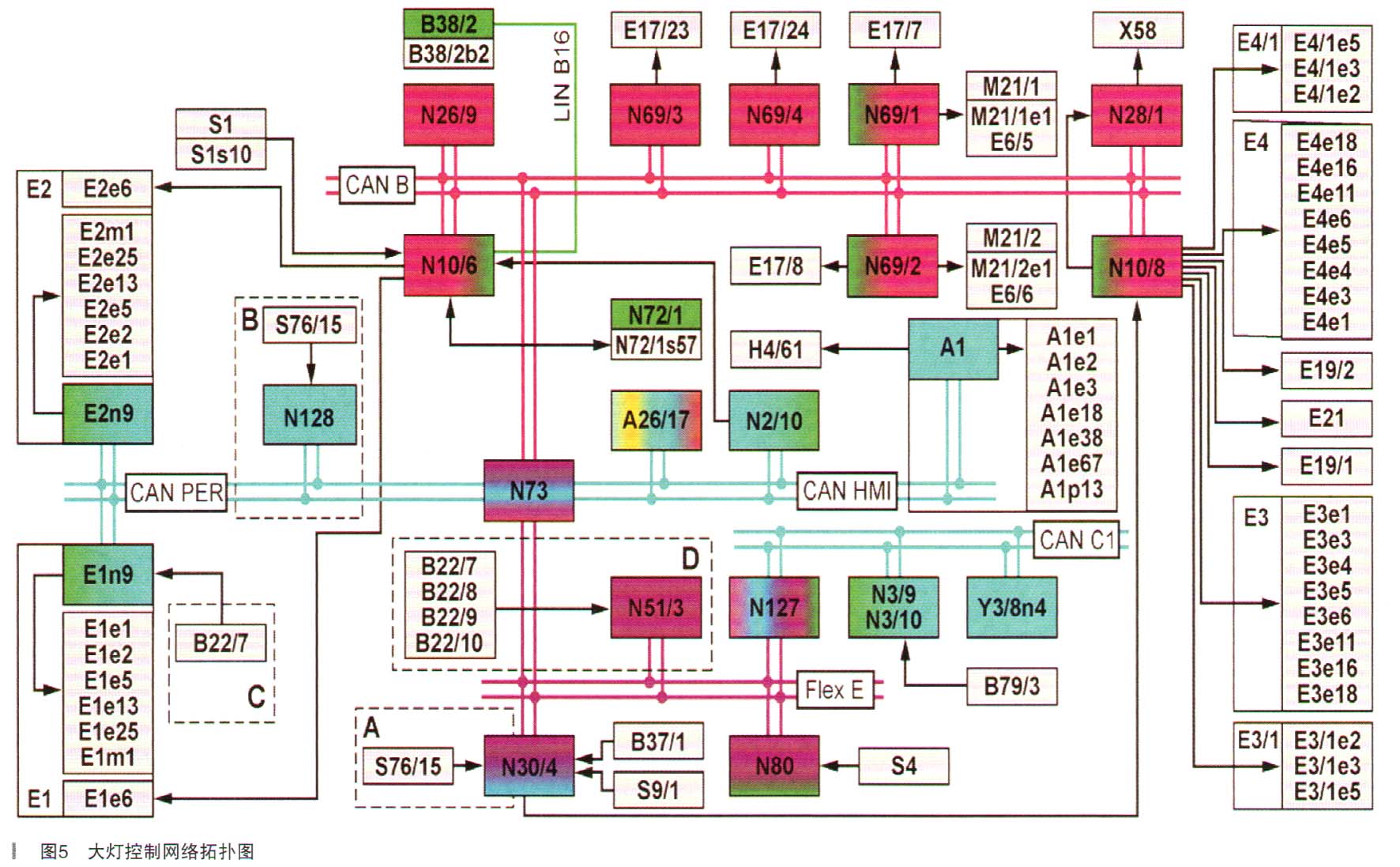
    分析网络拓扑图,并据此总结故障码特点:
     (1)CAN总线传输具有双向性,即各控制单元可传送信息至CAN网络,同时又可从网络中接收信息。
     (2) N73是网络的中央网关,对于不同CAN网络之间的通信,需要通过N73来确定信号的传输优先杖和转换CAN信号类型,即N73是不同CAN总线的数据交换接口。
     (3)E1n9属于CAN PER用户,在控制单元自身、CAN线、供电和接地均正常的情况下,深思为何它与电子点火开关的通信会存在故障?左思右想不得其解。
     (4)重新梳理检查思路,N73作为中央网关,将其他网络的信号传送至CAN PER网络,进而E1n9获取相应的信息,这样,有必要考虑CANPER网络以外的控制单元,而在众多车载控制单元当中考虑哪一个呢?
     (5)仔细思考,有必要借助大灯功能控制的网络拓扑图来深入分析,网络拓扑图如图5所示。
      自动灯光功能涉及较多控制单元,逐个对调来确认故障需要大量的拆装工作,而且一些防盗元件还无法对调,这样,此方法不可取,检查陷入困境。
  在QQ群和微信群上与其他4S店的技术员交流此问题,得到建议是找一辆正常车辆,把网络拓扑图中各部件的供电逐个断开,然后用诊断仪进行快速测试,对比产生的故障码是否与此案例相同或相近,从而寻找相应的线索。
    执行上述建议,首先分析图中部件特点,控制单元可采用拔出保险丝的方式来断电,而该开关、传感器、电机等则需要拔出插头来断电。不管哪一种部件,都应从简单的入手,很明显拔保险丝和拆装B38/2(位于挡风玻璃中央驾驶室上方)都较简单,决定先从B38/2入手,脱开它的插头,结果仪表立即出现自动照明报警,如图6所示。

上一页  [1] [2] [3]  下一页

关键词:

文章评论评论内容只代表网友观点,与本站立场无关!

   评论摘要(共 0 条,得分 0 分,平均 0 分)
Copyright © 2007-2017 down.gzweix.Com. All Rights Reserved .
页面执行时间:24,664.06000 毫秒