RTl072是PIR传感器控制芯片,可应用于红外感应式运动人体的控制方面,如自动通风系统、移动感应探测、自动照明、门铃系统和防盗报警器等。RTl072内部电路主要由运算放大器、滤波电路、时钟电路,主控制电路、过零检测电路、CDS电路和输出驱动电路组成。
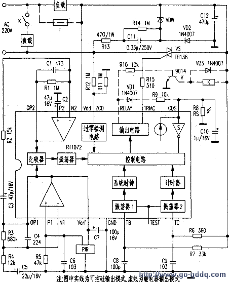
由RTl072组成的人体热释红外感应开关如图所示,RTl072芯片加电后,首先自动复位,触发被禁止,然后芯片才进入正常工作状态。
PIR传感器的工作电压由RTl072内部3.4V稳压器经Vref端来提供。当人体运动引起的热释红外变化信号被PIR传感器检测到时,送人RTl072内部的两级运算放大器进行噪声滤波、信号放大后进人比较器和阚值电压Vth=3.4V、Vtl=3V进行比较,其比较值再送人主控制电路。
CDS控制电路的CDS控制端通过光敏电阻接地,以识别昼夜。只有当CDS控制端为高电平时,PIR的有效触发才能使主控制电路输出控制信号。另外不使用CDS控制功能时,必须将CDS引脚端接至电源端。振荡器1通过引脚TB端外接的RC电路产生系统时钟频率,典型值为16kHz。当系统被触发并延迟32个TB周期后主控制电路才会输出驱动信号;振荡器2通过引脚TC端外接的RC电路产生计时频率,经计时器送入主控制电路。
在系统发出触发信号后须持续经过245760个TC周期后才能进入休眠状态。进入休眠状态后,也必须经过4096个TB周期才再次被触发,重新发出触发信号。如果在正常输出期间,PIR被再次触发,则输出时间就重新开始计算。所以通过调整TC和TB端的RC值-可改变输出的持续时间、触发和再次触发的延迟时间,同时,改变RTl072的两级运算放大器的反馈网络,可改变整个系统的感应灵敏度。
RTl072具有过零检测功能,ZCD引脚内接的施密特触发电路,对ZCD引脚输入的交流信号进行过零检测,当ZCD端的过零检测信号消失超过3秒时,芯片将会重新初始化(自动复位)。另外。芯片具有继电器和可控硅两种输出模式,在245760个TC输出周期,继电器输出端RELAY引脚具有。5mA负载能力的高电平,而可控硅输出端TRIAC引脚输出脉宽为2个,TB周期的信号,具有15mA的负载驱动能力。
RTl072芯片组成的人体红外感应开关的主要技术指标:
1.工作电压:ACl80V~250V(50/60Hz);
2.负载特点:阻性、感性;
3.静态功率:0.5W;
4.感应范围:140。锥角,8m以内;
5.负载功率:600W(视可控硅功率或继电器触点容量而定);
6.延时时间:160秒(16~400秒可调);
7.环境温度:-20~50℃,
