埃立特ALT-7W型对讲机是一款16信道单工式对讲机。该机采用7.2V锂电池供电,且成品机每部均配罱有一只座式充电器:此座充再由一只AC220V/DC14.5V电源适配器来供电。为方便维修.现经实测绘制出其座充的内部电路组成,如附图所示。
座充电路简析
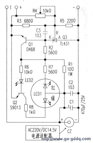
附图中,由Ql管与Q3三端稳压源等元器件构成恒压处理充电电路。其电源适配器输出的DC14.5V直流电压,经插座cz输入后,通过Rl电阻加至Q1的C极;经R2→Q1的b-e极→R3(R4)→R5构成回路.在回路中R5两端产生的压降,作用到精密稳压源03的“R”极上;因R5上分压值参数是设计时预定并可决定Q3“K”极的稳压值。所以,在Ql管的e极上,就可输出一个为DC8.4V的直流恒压,并送到座充上充电极片的“+、一”端,以供插上的对讲机内7.2V锂电充电之用。
为观测工作充电状态,座充电路上还添加了由02管、LED1(红,绿双色发光管)等组成的充电指示功能电路。在对讲机开始充电时,因电池欠压因素而充电电流往往较大,所以会在回路中R1电阻上形成较高的压降;此电压又经R7电阻后,作用到LEDI内之红光管上,则LEDI发红光,作出此时“充电”
(CHARGER)状态指示。另外与此同时,因恒压充电电路Ql管通过较大充电电流:其c-e极导通程度亦较大.因而相应地c-e极间形成之压降小,不足以驱动并接在Ql的b-e两极上的R6→LED2→Q2的b-e极的回路元件导通,所以02此时截止不工作。
当电池充电至一定时间后,由于对讲机上电池的端电压逐渐提升:当升至8.4V电压时,电池达到“充满”状态;随之这时的充电续流降为很小,相应使01上c-e极间之导通程度变弱,则极间的压降值增大。于是,此压降就可经R6一LED2一Q2的b-e极回路,则Q2进入工作导通:此时.LED1管中的绿光管由02的导通而点亮发光,从而作出充电“完成”(COMPWIE)之状态指示。这时因流经Rl上的电流及压降亦变得很小,所以此刻LED1内红光发光管熄灭。
