·上一文章:直流低压系统的短路保护电路
					·下一文章:用M62253AGP构成的锂电池充电电路
				
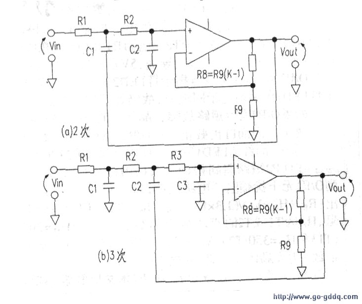
		       滤波器是除去不需要频率成分的电路,次数高的滤波器,其衰减曲线越陡峭。利用运放这种有源器件的单纯滤波器(LPF或HPF)多为2次和3次,如上图所示.在放大率为K的缓冲放大器输入端加入RC网络就构成低通滤波器LPF。如将R和C的位置互换.就构成高通滤波器HPF。如果设计为K=l.上图右边的两个电阻可以不用。
通常,要作到4次或5次滤波器,多采用两级滤波器级联来实现,本文拟用一个运放来实现4次滤波器。基本电路如中图.Rl—R4和C1~C4决定K值。实际的试作电路如下图。运放为NE5534,采用单电源供电,输出信号振幅为4V.电源电压为1OV。截止频率lkHz.滚降特性-24dB/oct。

4次LPF的传递函数用下式表示:

d)式中:s:拉普拉斯变换系数(正弦波时用jw替换).j:虚数单位,w:角频率[rad/s]。
实际用上式计算较复杂.附表是用计算机算出的八种形式滤波器的参数。

电路中电容的精度为0.5%.RI~R4的精度为l%,R8和R9因为决定K值.精度要求为O.1%。它们的数值可采用串、并联的方式拼凑。考虑到温度影响及减小噪声,电阻须用金属膜电阻,电容选用聚脂或聚丙烯电容。运放应选用输出阻抗低、输入偏置电流小的低噪声运放。


