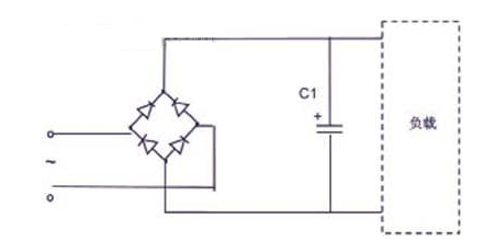
图1是典型的电子产品电源部分简化电路,C1是与负载并联的滤波电容。在开机上电的瞬间,电容电压不能突变,因此会产生一个很大的充电电流。根据一阶电路零状态响应模型所建立的一阶线性非齐次方程可以求出其电流初始值相当于把滤波电容短路而得到的电流值。这个电流就是我们常说的输入浪涌电流,它是在对滤波电容进行初始充电时产生的,其大小取决于启动上电时输入电压的幅值以及由桥式整流器和电解电容其所形成的回路的总电阻。

图1 电源示意图
假设输入电压V1为220Vac,整个电网内阻(含整流桥和滤波电容)Rs=1Ω,若正好在电源输入波形达到90度相位的时候开机,那么开机瞬间浪涌电流的峰值将达到I=220×1.414/1=311(A)。这个浪涌电流虽然时间很短,但如果不加以抑制,会减短输入电容和整流桥的寿命,还可能造成输入电源电压的降低,让使用同一输入电源的其它动力设备瞬间掉电,对临近设备的正常工作产生干扰。
浪涌电流的抑制
浪涌电流的抑制方法有很多,一般中小功率电源中采用电阻限流的办法抑制开机浪涌电流。图2是一个常见的110V/220V双输入电源示意图,以此为例,我们分析一下如何使用NTC热敏电阻进行浪涌电流的抑制。

图2 110/220Vac双输入电源示意图
NTC热敏电阻,即负温度系数热敏电阻,其特性是电阻值随着温度的升高而呈非线性的下降。NTC在应用上一般分为测温热敏电阻和功率型热敏电阻,用于抑制浪涌的NTC热敏电阻指的就是功率型热敏电阻器。
图2中R1~R4为热敏电阻浪涌抑制器通常放置的位置。对于同时兼容110Vac和220Vac输入的双电压输入产品,应该在R1和R2位置同时放两个NTC热敏电阻,这样可使在110Vac输入连接线连接时和220Vac输入连接线断开时的冲击电流大小一致,也可单独在R3或R4处放置一个NTC热敏电阻。对于只有220Vac输入的单电压产品,只需在R3或R1位置放1个NTC热敏电阻即可。
其工作原理如下:
在常温下,NTC热敏电阻具有较高的电阻值(一般选用5Ω或10Ω),即标称零功率电阻值。参考图1的例子,串接10ΩNTC时,开机浪涌电流为:I=220×1.414/(1+10)= 28(A),比未使用NTC热敏电阻时的311A降低了10倍,有效的起到了抑制浪涌电流的作用。
开机后,由于NTC热敏电阻迅速发热、温度升高,其电阻值会在毫秒级的时间内迅速下降到一个很小的级别,一般只有零点几欧到几欧的大小,相对于传统的固定阻值限流电阻而言,这意味着电阻上的功耗因为阻值的下降随之降低了几十到上百倍,因此这种设计非常适合对转换效率和节能有较高要求的产品,如开关电源。
断电后,NTC热敏电阻随着自身的冷却,电阻值会逐渐恢复到标称零功率电阻值,恢复时间需要几十秒到几分钟不等。下一次启动时,又按上述过程循环。
改进型电源设计
上述使用NTC浪涌抑制器的电路与使用固定电阻的电路相比,已经具备了节能的特性。对于某些特殊的产品,如工业产品,有时客户会提出如下要求:1、如何降低NTC的故障率以提高其使用寿命?2、如何将NTC的功耗降至最低?3、如何使串联了NTC热敏电阻的电源电路能适应循环开关的应用条件?
对于第1、2两点,因为NTC热敏电阻的主要作用是抑制浪涌,产品正常启动后它所消耗的能量是我们不需要的,如果有一种可行的办法能将NTC热敏电阻从正常工作的电路中切断,就可以满足这种要求。
对于第3点,首先分析为什么使用了NTC热敏电阻的产品不能频繁开关。从电路工作原理的分析我们可以看到,在正常工作状态下,是有一定电流通过NTC热敏电阻的,这个工作电流足以使NTC的表面温度达到100℃~200℃。当产品关断时,NTC热敏电阻必须要从高温低阻状态完全恢复到常温高阻状态才能达到与上一次同等的浪涌抑制效果。这个恢复时间与NTC热敏电阻的耗散系数和热容有关,工程上一般以冷却时间常数作为参考。所谓冷却时间常数,指的是在规定的介质中,NTC热敏电阻自热后冷却到其温升的63.2%所需要的时间(单位为秒)。冷却时间常数并不是NTC热敏电阻恢复到常态所需要的时间,但冷却时间常数越大,所需要的恢复时间就越长,反之则越短。
在上述思路的指导下,产生了图3的改进型电路。产品上电瞬间,NTC热敏电阻将浪涌电流抑制到一个合适的水平,之后产品得电正常工作,此时继电器线圈从负载电路得电后动作,将NTC热敏电阻从工作电路中切去。这样,NTC热敏电阻仅在产品启动时工作,而当产品正常工作时是不接入电路的。这样既延长了NTC热敏电阻的使用寿命,又保证其有充分的冷却时间,能适用于需要频繁开关的应用场合。

图3 带继电器旁路电路的电源设计示意图