在多通道设计中,独立驱动每一条通道都会消耗更多的功率、更多的元件,并占用更大的电路板空间。结果导致温度相关设计复杂化,并且在更高的成本下声音质量和可靠性却较低。
因此,为尽可能减少高性能多通道音频系统的功耗和简化相关的温度管理,设计工程师一直希望借助能在宽输出功率水平范围下提供超过90%效率的高效D类音频放大器。相比之下,适用于这个市场的传统AB类放大器其效率只有50%左右,且效率会随着输出功率水平下降而快速下滑。同样地,工程师还不断研究集成式IC的效能,以减少元件数目和电路板面积。
不论是汽车娱乐还是家庭影院系统市场,消费者始终要求有更多的通道和扬声器,每个通道还要能够处理更高的音频功率水平。除了更高的瓦特数,音响发烧友还不断要求改善声音质量,减少失真和噪声,以及通道之间出色的隔离效果。
4通道驱动器
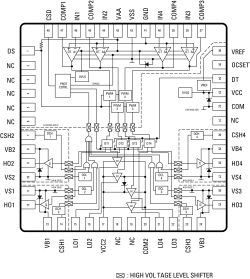
国际整流器公司(IR)根据这种需求,把先进DirectFET功率MOSFET与创新的集成音频驱动器结合,开发出一种4通道D类音频放大器设计,其性能可与单通道解决方案相媲美。为达到这个目标,电路采用了集成式音频驱动器IRS2093M,该器件将4个高压功率MOSFET驱动器的通道整合到同一块芯片上。此外,这款200V的器件包含专为半桥拓朴中的D类音频放大器应用而设计的片上误差放大器、模拟PWM调制器、可编程预置死区时间以及可靠的保护功能(图1) 。除了可以防止功率MOSFET出现直通电流和电流冲击,可编程预置死区时间还实现了功率和通道数量可扩展的功率设计。这些保护功能包括带有自动复位控制功能的过流保护(OCP)和欠压闭锁(UVLO)保护。

图1:这款200V器件除了把高压功率MOSFETS驱动器的4条通道集成到同一芯片上,还配备了片上误差放大器、模拟PWM调制器、可编程预置死区时间和先进保护功能。
为了在不同通道之间实现一流的隔离,音频驱动器部署了已获肯定的高压结隔离技术和采用Gen 5 HVIC工艺的浮动栅极驱动器。这样就在裸片上实现了良好的内部信号隔离,这使得电路可以同时处理更多通道的信号,从而把每个通道的基本噪音保持在非常低的水平,同时尽可能减小了通道之间的串扰。
接着,我们建构了如图2所示的4通道半桥D类音频放大器电路,它结合了集成式D类音频控制器和栅极驱动器IRS2093M,并搭配8个IRF6665 DirectFET功率MOSFET以及几个无源器件。该多通道音频放大器的每个通道都被设计成能够提供120W的输出功率。为便于使用,该电路包含了所有必需的内部管理电源。

图2:这款4通道半桥D类音频放大器设计采用了集成式D类音频控制器和IRS2093M栅极驱动器,以及8颗IRF6665 DirectFET MOSFET和一些无源器件。
为达到最佳整体性能,IRF6665功率MOSFET特别针对D类放大器设计进行了优化。除了提供低通态电阻,还对功率MOSFET做了改进以获得最小栅极电荷、最小体二极管反向恢复和最小内部栅极电阻。此外,与传统的引线键合封装相比,DirectFET封装可提供较低的寄生电感和电阻。简单来说,经优化的IRF6665 MOSFET能够提供高效率和低总谐波失真(THD)以及电磁干扰(EMI)。
特性和功能
为了以更小的空间提供最高性能和可靠的设计,这个4通道D类音效放大器解决方案采用自振荡PWM调制。由于这种拓朴相当于一个模拟二阶sigma-delta调制,且D类开关级在环内,因此在可听频率范围内的误差根据其工作特性被转移到不可听频率之上,从而降低了噪声。同时,sigma-delta调制允许设计师执行足够的误差校正来进一步降低噪声和失真。