在变电站电磁继电保护装置中,安装方向继电器是为了防止电力系统发生故障时继电保护无选择性地动作。通过在电流保护回路中加装功率方向继电器来判断故障电流的方向,电网一旦发生事故,过电流保护能有选择地断开故障点。在双电源系统回路中,由于短路时的电流方向是分别从2个电源指向短路点的,所以功率方向继电器感受的功率也不相同。当方向指向线路侧时短路功率方向由母线流向线路,保护装置才动作;而由线路流向母线时不动作。其方向元件接线方式为90°,只有正方向流过故障电流时保护装置才动作。
工作原理
功率方向继电器在过电流保护回路中,其常开触点和电流继电器的常开触点是串联接在一起的(见上图)。当双电源线路中发生短路事故时,短路电流在电流互感器ILH、2LH二次感应故障电流,启动电流流经继电器UA、uc和功率方向继电器CA、GC,电流继电器常开触点闭合。由于回路接有功率方向继电器GA、GC,只有与功率方向继电器方向指向线路一致,一次侧电流从母线流向线路时,功率方向继电器才动作使常开触点闭合。于是正控制电源经电流继电器常开触点、功率方向继电器常开触点启动时间继电器SJ,经延时使保护装置获得必要的动作时限,闭合其触点,再经信号继电器Ⅺ的电流线圈发出跳闸脉冲电压,使断路器TQ跳闸。而当流人功率方向继电器的电流与功率方向继电器规定的方向相反时(一次电流从线路流向母线时),功率方向继电器不动作,将方向过电流保护闭锁。架空输电线路阻抗角一般为20°~30°,采用90°接线方式的目的是消除近处两相短路的动作死区。接人功率方向继电器的电压与电流的极性必须正确。否则,将导致保护拒动或误动。
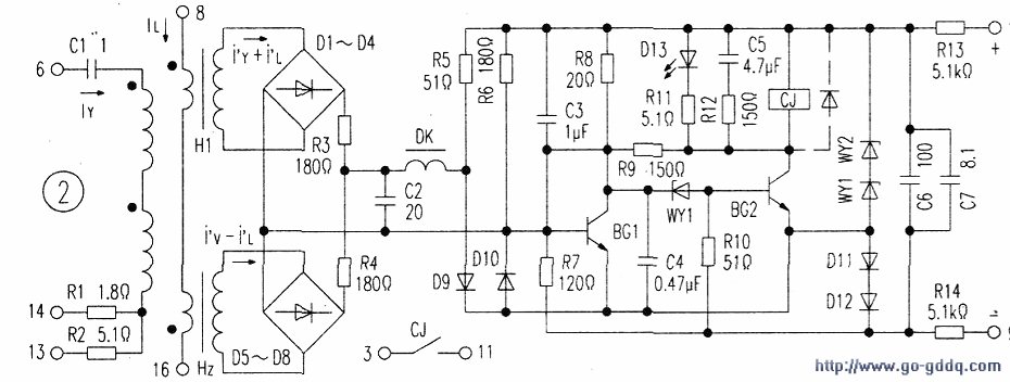
功率方向继电器应用在电力系统方向保护的型号有BC-IIB.用于平行线路横联差动保护:BC-12B用于相间短路保护:BC-13B用于接地保护。以常用的用于相间短路保护BG-12B方向继电器为例(见下图)作介绍。互感器Hl和H2分别与整流桥D1—D4和D5~D8组成工作回路和制动回路,互感器HI和H2的初级分别接人电流IY和电流IL。由于Hl的电压线圈和H2的电压线圈同极性串联.Hl的电流线圈和H2的电流线圈是反极性串联,在互感器Hl输出线圈以电流形式取出其矢量和IY+IL.在互感器H2输出线圈以电流形式取出其矢量差I'Y-I'L,二者分别经整流桥整流,然后再进行比较。I'L和I'Y相位差为φ;当-90°<φ<90°时.I’Y+I’
I>I'Y-I'L继电器动一控制电源作。当90°≤φ≤27°时.I'Y+I'L≤I'Y-I'L.继电器不动作。输出脉动直流电压,经过LC滤波回路后,再送给触发回路。
正常时脉动直流电压形成回路的定值低于比较器门限电压,于是BG1基极电压呈正电位而导通,集电极电压下降,由于稳压管WYI的动态电阻较小,电路基本无反馈,晶体管BC2截止,干簧继电器cJ不动作。
当脉动直流电压形成回路输入的信号电压幅值高于比较器门限电压时,晶体管BG1截止,电源通过R8向C7充电,使稳压二极管YVYI击穿,BG2基极电位由R8、WYI、R10分压得到7V左右电压,高于发射极负偏电压而饱和导通,延时驱动干簧继电器CJ吸合(改变R8的阻值可改变保护动作的时限)。

