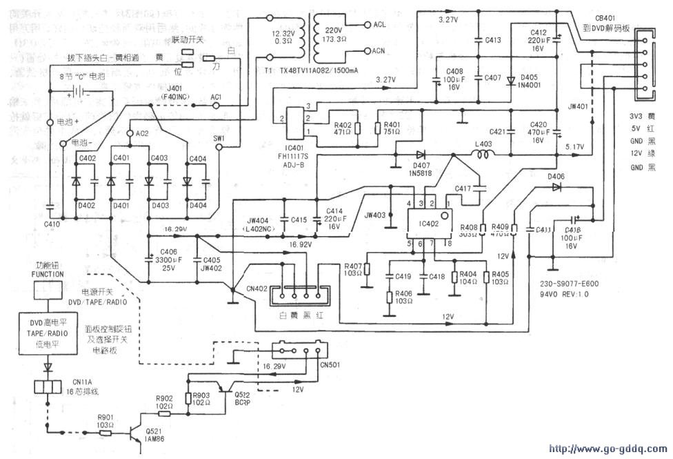
雷登PC-9037型手提式DVD机采用8节电池供电,为避免负载变化及电池电压下降对播族机产生不良影响,所以采用了DC7DC直流变换稳压电源。同时为了节省电池能量,又可利用交流电源供电,通过交流电源插座上的联动开关,进行交直流转换,实绘电路如图所示。
一、工作原理分析
IC402为该机电源的变换芯片,遗憾的是芯片型号被厂家抹去,但不难看出芯片(2)脚为VCC电源输入端。由降压变压器Tl次级输出的交流电压经D401—D404全桥整流,经C405、C406、C414、C415滤波加到该脚。
当拔下交流电源插头时.由电池提供的直流电压,经联动开关也加到该脚.(3)脚为SW开关控制端。输出PWM脉冲,经D407整流、LA03.C420、C421滤波输出稳定的Sv电压,一路经D405加到IC401(3)脚,一路经CB401加到DVD解码板。
(5)脚为FB反馈端。调节R407和R408的分压比,即可控制芯片输出。
(6)脚为COMP补偿端。外接的RC网络对芯片内部功能具有补偿作用。
(7)脚为EN使能端。当面板功能钮(兼电源开关)置于DVD挡时,面板电路输出高电平,经CN11A排线第(7)脚.R901加到主板上的Q521基极,Q521导通,使Q522也导通.并输出稳定的12V电压.经主板上的CN501加到电源板上的CN402。一路经R409限流、D406隔离、C411、C416滤波,再经CB401加到DVD解码板。一路经R404和R405分压加到IC402(7)脚,使该脚处于高电平,芯片开始变换。当功能钮置于TAPE挡和RADIO挡肘,面板电路输出低电平,主板上的Q521和0522均截止,因无12V输出.(7)脚处于低电平.芯片则停止变换。2.5V电压经D405加到IC401(FH1117S-ADJ.后缀“-ADJ”为输出可调)输入端(3)脚,输出端(2)脚输出3.3V(实测3.27V).经CB401加到DVD解码板。同时(2)脚的电压还经R402反馈到控制端(1)脚,调节R401和R402分压比,即可调节IC401的输出。

二、检测与堆修
1、常见故障:一是交流电压工作,直流电压不工作,重点检查交流电源插座上的联动开关,看是否变形或生锈。
二是直流电压工作,交流电压不工作,首先检查是否有整流输出,正常空载为16.29V左右,若无,则检查Tl。正常空载Tl次级输出为12.32V左右的交流电压,初级线圈阻值为173.3Ω.次级0.3Ω。
三是交直流均有电压,但都不丁作.首先用一只51kΩ电阻,一端接全桥整流输出,一端接R405下端,给IC402(7)脚提供一个高电平,看IC402是否工作,若仍不工作,表明IC402损坏或周围元件有问题。若能工作,表明使能(EN)控制电路有问题,需要检查的部位有:面板上的功能钮、面板电路及CN11A排线,主板上的0521、0522及周围元件,还有主板与电源板之间的CN501~CN402连线。
2、IC402正常工作电压和波形:实测(1)脚有稳定的12.06V.波形如下左图所示。(2)脚有波动的16.29V,即为全桥整流输出的电压。(3)脚有稳定的5.17V.波形如下右图所示。下左图、下右图频率均为0.426MHz.占空比均为33.8%。(5)脚有稳定的1.283V。(6)脚有稳定0.78V。(7)脚有稳定的10.9V。以上资料可作为判断IC402好坏依据。
