D5026A是上海得倍电子专为节能型LED显示屏设计的驱动IC,其设计思路是节能并兼容现有方案,也就是说即可用于节能亦可兼容传统。经计算并经测试,采用D5026A制作的显示屏可节电高达30%以上。下面就简单介绍一下D5026A的节能原理。

图2
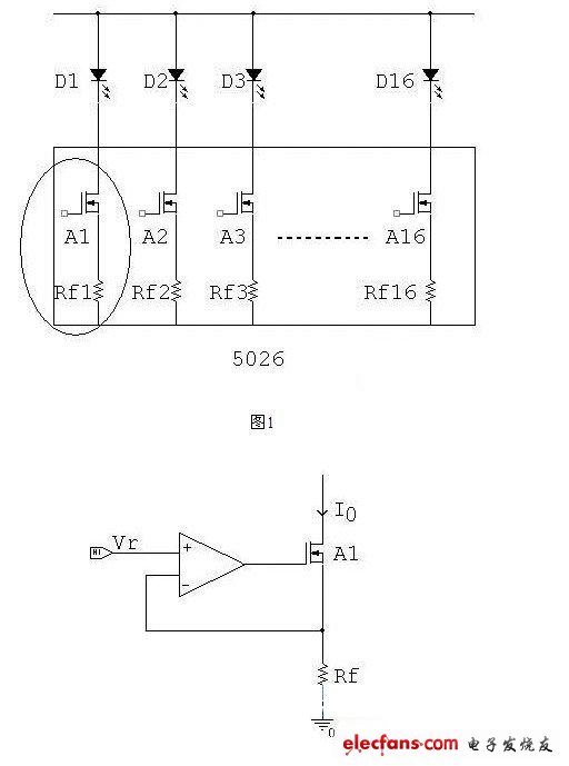
众所周知,LED驱动通常是要采用恒流源驱动模式,图1就是传统的5026驱动输出结构,图2是其每个单元恒流原理。其恒流输出电流Io= Vr/Rf.在这种输出模式下,输出电压Vo由Rf 上的压降Vr与输出管A1 上的压降Vds1组成,即V.=Vr+ Vds1 .在恒流状态下,Vds1随负载变化而变。当输出电流恒定,我们减小Vo 时总会有一个点使Io退出恒流状态,这个点我们就叫它最低输出电压Vomin。我们将Io= Vr/Rf 与 V.=Vr+ Vds1 结合起来不难看出,当V.- Vds1低于Vr时输出将不能恒流。此时Vds1约为0.1V,那最低输出电压就为Vomin=Vr+0.1(V)。

图3是D5026A驱动输出结构,图4是其每个单元恒流原理。D5026A采用了镜像恒流源的工作原理。其输出电流Io完全与两个镜像管的面积成正比,即Io=Ir x (Sa1/Sb1)。而Sa1/Sb1是由IC版图设计时就确定的,因此一致性可以非常好。
我们对比图4与图2就很明显看出,此时的Vo=Vds,完全省略了反馈电阻Rf上的压降。然而,反馈电阻上的压降恰恰在这里占了较大比重。这是因为,倘若反馈电阻压降设置过低就很难弥补反馈放大器失调所造成的误差,恒流源的一致性很难保障。通常反馈电阻压降约为400mV-600mV.也就是说,D5026A在同等条件下比传统的5026的最低输出电压Vomin 要低400mV-600mV。
我们以蓝灯为例,假设蓝灯的导通电压为3.2V,在不考虑线损等因素下,传统的5026最低电源电压Vc=3.2+0.4(0.4-0.6)+0.1=3.7V(甚至到3.9V)。而D5026A 则可工作在Vc=3.2+0.1=3.3V。当然,上述考虑的是理想状态,若考略到线损及电源波动等因素,我们建议电源电压可选在3.6V-3.8V。
我们有过计算,若将现有的5V供电显示屏改为3.8V供电显示屏,无须线路、结构、控制的任何更改,就可直接节电24%。以往,这些被节约的电能都是作用到了5026上,导致5026工作温度极高,极大降低了驱动电路的可靠性。若采用D5026A,驱动电路上的功耗将大大降低,温升极不明显,即节约了电能又提高了器件可靠性,同时大大降低结构设计时对散热的考虑。在完全相同的条件下,采用5V供电的某型号显示屏的5026表面温度为73度,采用3.8V供电的D5026A表面温度仅为39度,显而易见,采用D5026A的优点就不言而喻了。