科学技术的突飞猛进直接把我们带进了信息化的社会,计算机的应用已经普及到经济和社会生活的各个领域0为满足广大市民日常购买饮用水的需要,设计方便、省钱的自动售水机系统已成为热门话题。实现售水机的智能化功能,对售水机水箱的水位情况、水箱的清洁状况等进行实时监控,保证水量、水质。本文着重分析采用AT89C2051 MCU控制的纯水机智能系统的设计。
系统工作原理
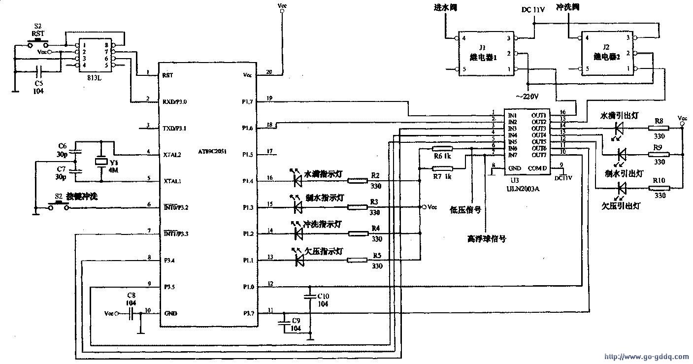
智能控制系统通过外部的低压和高浮球两个信号来判断当前进水管的压力及水箱的水位状况。低压和高浮球信号由AT89C2051 MCU的IO口输入进行处理,系统根据处理结果控制继电器的吸合启动或停止马达。根据现场的测试情况,我们设计的系统对低压信号采用延时10s 进行两次采样检测,避免系统启动时马达运转引起进水管出现假欠压信号(IO口引脚高电平设为水管欠压),同时通过显示灯闪烁提示欠压:水箱水位未满时,外部高浮球对应的IO口产生一个低电平信号,造水盒收到该低电平的缺水信号后延时5秒(避免因水箱晃动产生的误判断),向造水机输出电源,启动进水电磁阀及马达运转,同时对造水时间计时,每造水一个小时冲洗水箱一次,当水造满时,高浮球输出水箱水位满信号,并再冲洗水箱一次,然后造水盒关闭输出电源。此外,系统提供外部强制冲洗功能以保证水箱的清洁。
硬件电路设计
根据系统功能需求,我们选用性价比很高的AT89C2051作为MCU控制芯片,外接MAX813L看门狗电路以确保系统在遭受强干扰时能自主恢复工作,采用4M晶振,通过水满指示灯、造水指示灯、冲洗指示灯、欠压指示灯来显示相应的状态。因该控制盒安置于系统金属架内部,为方便维护人员及时了解纯水机工作情况,故将水满灯、造水灯、欠压灯引出。电源设计部分:市电通过变压器降压后得到11V的交流电压,再经过整流、滤波后得到11V的直流电压,然后通过。7805稳压得到5V的直流电压作为MCU电源,如图2所示。用ULN2003实现输入输出的隔离及继电器、大功率引出灯的驱动,如图1所示。

图1

图2
系统软件设计系统软件初始化设计包括IO端口的初始化、定时器设置等,主程序实现对智能控制系统的水管压力、水箱水位状况监测,定时器中断实现定时冲洗,外部中断实现强制冲洗。