联想L197型液晶彩显电源电路是以TEA1530AT为核心构成的,这种电源还广泛用于冠捷AOC917VW、华硕VK222U/S等型号的液晶彩显中。
  一、TEA1530AT介绍
  
  TEA1530AT是飞利浦公司推出的绿色电源控制集成块,负责产生开关脉冲(PWM脉冲),完成稳压控制及各种保护等任务,待机功耗仅0.3W。该器件可用于打印机、液晶彩显、液晶彩电、电源适配器等场合,能组成输出功率达65W的开关电源。TEA1530AT内部结构如图所示,它适应于70~276V的交流电源;正常运行频率固定为65kHz,待机运行时频率很低(小于lOkHz);内置启动电流源,启动电流为1.2mA,且具有软启动模式;还有低压保护,过流保护,过热保护(14(lC)功能。

  二、电路分析
  
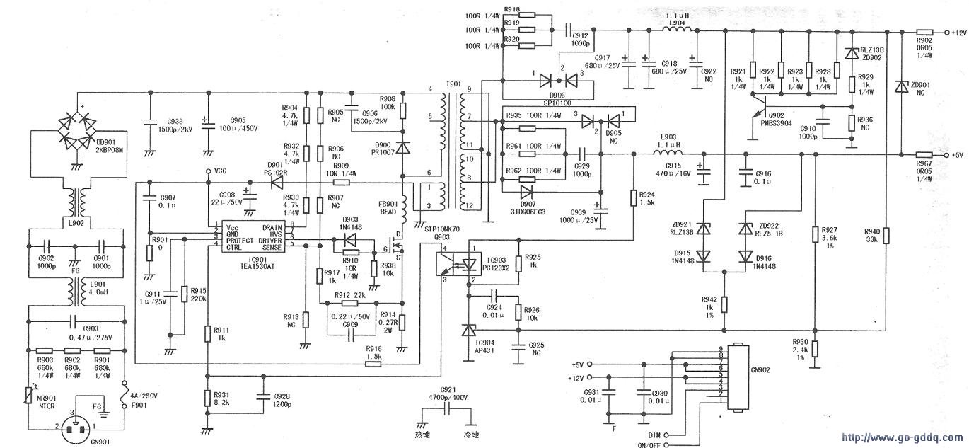
  由TEA1530AT构成的电源电路如下图所示,下图中标有“NC”的元件在实际电路中未装。
1、启动过程220V交流市电经BD901整流,C905、C938滤波后,在C905上形成近300V的直流电压。该电压一方面经开关变压器的初级统组(④-⑥绕组)加至开关管Q903的漏极;另一方面经启动电阻R904、R932、R933加至IC901的⑧脚,使内部建立起启动电流源,该电流源对①脚外部电容C908充电,C908两端电压上升。当C908上的电压上升至11V时,IC901内部电路启动,并进人工作状态,从⑥脚输出开关脉冲,开关管Q903进入开关工作状态,开关变压器T901的初级绕组上产生脉冲电压,各次级绕组上也感应出脉冲电压。
一旦IC901工作,其①脚的电流会上升,此时,内部电流源所提供的电流将不足以满足①脚的需要,所以由①-③绕组上的脉冲电压经R909限流,D901整流,C908滤波后所产生的直流电压来给①脚供电,以继续满足①脚的需求。
  2.各路电压输出过程
  
  开关变压器有两个带中心抽头的绕组,这两个绕组采用并联连接。它们的上端接地,下端并联后作为12V绕组的输出端,中心抽头并联后作为5V绕组的输出端。
电路工作后,12V绕组输出的脉冲电压经D906(两个并联二极管)整流,C917、C918、L904、C922滤波后,产生+12V的直流电压,给逆变器及主板供电。
5V绕组输出的脉冲电压经D907整流,C939、L903、C915滤波后,产生+5V直流电压,给主板供电。
+12V和+5V电压由接插件CN902送至主板,给各自负载供电。
  3.稳压过程
  
  该电源是通过调整开关脉冲的占空比来实现稳压控制的,稳压主取样点设在+5V输出端,辅助取样点设在+12V输出端。当某种原因(如电网电压上升,负载变轻等)引起各路输出电压上升时,+5V电压也必上升,经R927、R930分压后,送至IC904控制脚的电压也上升,从而使IC904导通加强,IC903中的发光二极管和光电三极管导通也增强,IC901的④脚电压上升,经内部电路调节后,其⑥脚输出的脉冲宽度变窄(占空比减小),Q903饱和时间缩短,各路输出电压下降。
当某种原因引起各路输出电压下降时,则稳压过程与上述相反。
值得注意的是,当只设主取样点时,+5V电压大约为6.2V左右,+12V电压大约为15V左右;当主取样点和辅助取样点同时存在时,+5V和+12V输出才正常。也就是说,主取样点起粗调作用,它能将输出电压稳定在正常值的附近;辅助取样点起细调作用,在它的配合下,才能将输出电压稳定在正常值上。设置两个取样点的目的是为了提高电路的可靠性,提高稳压精度。另外,当+12V电压达到14V,+5V电压达到6V时,ZD921、D915、R942、ZD922、D916等元件也会参与稳压作用,以加大稳压环路的调节力度。
