信号处理板又称主板,接收TV或机外视频信号输入。输入的信号经过信号解码、格式变换等处理后,转变成统一的液晶屏所需的LDVS数字差分信号,送给逻辑板。该机主板如上图所示。当电源板给主板提供正常的工作供电后,系统控制电路进入待机状态:当接收到开机指令后,主板进入正常工作状态。
主板故障判定主要是检测其电源接口和LVDS上屏接口的电压来判定,主板电源接口电路如中图所示,插座CONl引脚功能及电压见下表。

1、开/待机(STB)控制
遥控或键控开机时,U13接收到二次开机指令后,指示灯开始闪烁;当U13内电路工作正常后,就从(152)脚输出STBY低电平,Q3截止,5v经R5给电源板提供开机高电平,实现电源二次开机,输出12V、+5V电压给相应电路。
2.背光控制信号(BRI-ON/OFF)
开机后,从U13的(101)脚输出逆变器开关控制信号,Q1截止,其c极得到约5V的高电平,通过CON1的③脚输往逆变器,逆变器工作,同时,U13对图像信号处理后,从(55)脚输出PWM亮度控制信号,03截止,通过CON1的①脚输往逆变器,实现自动调光:
3.上屏控制信号(PANEL-ON/OFF)
U13(152)脚输出STB二次开机指令后,紧跟着从(151)脚输H{低电平(0V)的上屏电压控制信号,让控制上屏电压的MOS管导通,如下图所示,为屏驱动电路提供5V或12V工作电压。
LT26610型机所用屏的上屏电压为+12V,故主板上有FB8无FB7。PANEL-ON/OFF指令经Q5和Q4两级倒相后,加到U4内部MOS管的G极。U4为P沟道增强型MOS管,Vgs为负压时便导通,从漏极⑤~⑧脚输出供屏驱动工作的电压(常称作上屏电压)。屏驱动电路得电后,对U13通过上屏线送来的LVDS信号进行处理,然后加到行X扫描电极和列Y图像电极上形成电场,从而调制通过液晶单冗的背光,最后在液晶屏幕上重现图像。
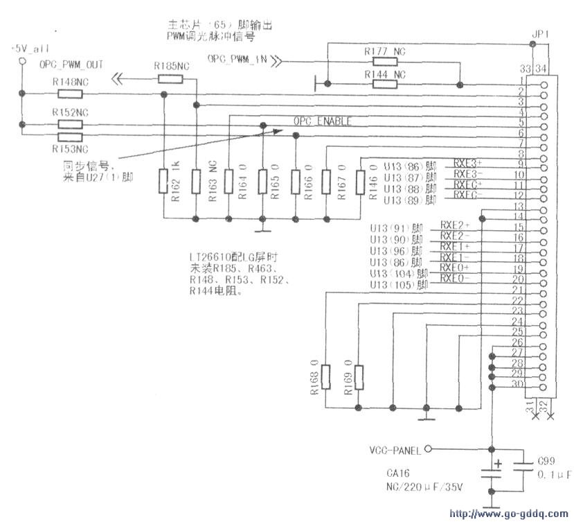
4.LVDS信号
上屏线传输的LVDS信号为数字差分脉冲信号,其接口种类较多,该机主板上LVDS信号接口其外围电路如左图所示,引脚功能见下表。

LVDS信号的正常与否可用带宽不小于100MHz的示波器来检测。在实际维修中,可用万用表测上屏线中数据脚电压,对比在有无信号输出时电压的差异,再结合故障现象来判断故障部位。


