南海产立昌牌YDR-D95VⅡ型微电脑智能多温饮水机,可供应开水、高温、中温、低温、常温水,具有自动加热、双电泵出水、再沸腾加热和超温保护等功能。
一、机体组成及送水过过程
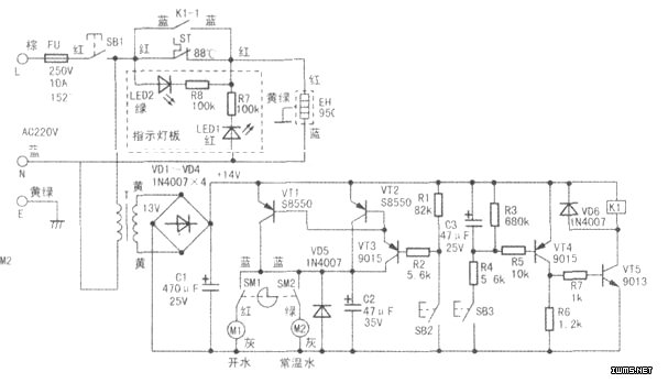
该饮水机主要由箱体、聪明座、水箱,进水单向阀、热罐、排气单向阀、双电泵、混水阀和连接水管等组成如上图所示。将瓶装水倒置插入聪明座,瓶内的水经导水柱流人水箱后分成两路。一路经进水单向阀流人热罐,由电热管加热成为开水,同时热罐产生的水蒸气经排气单向阀回至水箱,开水经开水电泵(Ml)加压到混水阀输入端;另一路经常温水电泵(M2)加压到混水阔另一输入端。调温器结构简图如中图所示。置调温器旋钮于“开水”、“高温”、“中温”、“低温”、“常温”挡,调温器内的凸轮使开水微动开关(SMl)、常温水微动开关(SM2)相应闭合与断开,由开水电泵(Ml)、常温水电泵(M2)转动将开水、常温水加压输送到混合阀,混合阀根据词温器所置挡位,自动调节开水和常温水的比例后,经混合出水管送出。
二、电路工作原理
该饮水机实绘电路原理如下图所示,电路由加热/保温电路、双电泵出水电路、再沸腾加热电路和超温保护电路等四部分组成。
1.加热/保温电路
装入瓶装水后接通电源,闭合电源开关SBl.220V交流电源经超温保险器FU、电源开关SB1、温控器ST向电热管EH供电。由于保温指示灯LED2被温控器ST短接,故LED2不亮,加热指示灯LED1点亮,电热管EH发热,当水温升至100℃后,ST感温触点断开,切断加热保温电路电源,EH停止发热.LED1熄灭.LED2点亮加热保温电路进入保温状态。当水箱向热罐补水或断电自然降温到设定温度(88℃)时,ST感温触点闭合,接通加热保温电路电源.EH又作新一轮加热,使水温恒温在88℃~l00℃之间。
2.双电泵出水电路
闭合SB1后,22V交流电源加至电源变压器T初级,次级输出13V交流电压经VDl~VD4整流.Cl滤波后得+14V直流电压为双电泵出水电路、再沸腾加热电路的工作电源。
将调温器旋钮调节到“开水”位置,开水微动开关SM1的触片被调温器的凸轮压住.SMI闭合,接通开水电泵Ml,电路处于待机状态,常温水微动开关SM2的触片释放,SM2断歼,常温水电泵M2电路不通。按下出水按钮SB2,在SB2接通时.VT3、VT2、VT1导通,Ml得电转动,驱动水泵运转,将开水送到混水阀,由于凸轮联动使混水阀打开.开水从混合出水管流出。同理,将调温器旋钮调节到“高温”、“中温”、“低温”挡.SM1、SM2同时闭合,按下SB2,VT3、VT2、VT1导通.Ml、M2同时转动,混水阀自动调节开水、常温水的配量,高温、中温、低温水从混合出水管流出。将调温器调节到“常温”挡,SM1断开,SM2闭合,按下SB2,VT3、VT2、VT1导通,M2转动,常温水从混合出水管出。
3.再沸腾加热电路
当开水水温降低、需要饮用开水时,按一下轻触式自动复位再沸腾按钮SB3,VT4、VT5导通,Kl吸合,其常开触点Kl-l闭合,LED2熄灭,LED1点亮,EH发热。在SB3接通的瞬间,电源经R4向C3充电,当SB3断开后,C3通过R3、R5和VT4的b-e结放电,使VT4、VT5和Kl工作一段时间(约20s~30s),Kl-1接通电路,EH把降了温的开水煮开后,再沸腾加热电路恢复待机状态,加热保温电路处于保温状态。使用再沸腾,只有在LED2点亮、ST处于断开状态下才有效。
4.超温保护电路
若因某种原因造成电路超温或短路时,一次性熔断超温保险器FU(250V、10A、152℃)会自动熔断,切断总电源,以避免烧坏电热管,防止事故的发生。


