八、电源电路
该机电源电路采用了日本三肯公司推出的最新厚膜电路STR—G8656(N907).
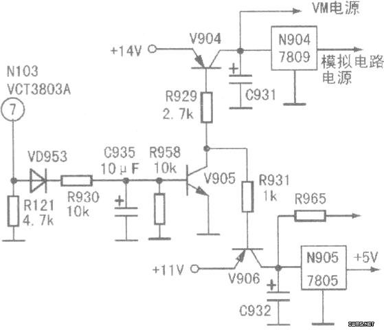
1.整机供电简介由于该机既有开/待机控制,又有“听伴音”控制,所以其整机供电控制比普通彩电略复杂,其供电关系如上图所示。
该开关电源次级共有6组电压输出,即+135V、+11V、+42V、+14V、-14V、+26V。
其中。T901(8)-(6)绕组输出所得的+11V直流电一路经N906(7805)稳压成+5V,为存储器N104、面板电路、复位电路供电,同时由V112、vDl07稳压成3.3V为N103内部CPU电路供电;另一路经开/待机控制管V906控制后由N905稳压输出+5V,分别供给高频调谐器(7)脚、MSP3463G的(57)、(18)脚及N103的(45)脚(后端模拟电路供电),同时由V106、VD103稳压成3.3V供给N103的(25)脚(数字电路供电)。T901(3)-(5)绕组输出所得的+14V电压一路给场输出ICN401供电,一路为光耦N902供电,另一路经开/待机控制管V904控制、N904稳压输出+9V,分别供给预中放、地磁校正、枕校信号放大、RGB激励等电路。
正常工作时,N103(7)脚电压为5V,待机控制三极管V905导通,V904、V906导通,N904、N905工作,如中图所示;待机时,N103(7)脚电压为0V,V905截止,V904、 V906因无电流通路而截止,即切断了N103解码和行、场部分及TV前置处理器N101等电路的供电。待机时,N906供给N103CPLJ部分及存储器N104、按键板的供电仍存在,因此整机处于等待开机操作状态。该电源在开、待机状态时,T901次级电压检测点及光耦各脚实测值见下表。
| 元件符号 | 功能 | 直流电压(V) | 对地电阻(kΩ) | |||
| 有信号 | 无信号 | 红笔接地 | 黑笔接地 | |||
| VD904负极 | 小信号集成电路供电 | 11 | 11 | 48 | S | |
| VD905负极 | 伴音功放供电 | 26 | 25.5 | 2 | 1.8 | |
| VD906负极 | 行输出供电 | 135 | 142 | 100 | 4.5 | |
| VD911负极 | 场输出正压供电 | 13.5 | 13.5 | 30 | 6 | |
| VD912负极 | 场输出负压供电 | -14 | -14 | 5 | 90 | |
| VD913负极 | 场逆程、行推动、高频头调谐+33V供电 | 42 | 42 | 200 | 5 | |
| V905 | b | 开/待机控制管基极 | 0.7 | 0 | 10 | 27 |
| c | 开/待机控制管集电极 | O | 13 | ∞ | 2.3 | |
| e | 开/待机控制管发射极(接地) | 0 | 0 | 0 | 0 | |
| N902(HS817G) | 1 | 发光二极管阳极 | 1.2 | 13.8 | 33 | 9 |
| 2 | 发光二极管阴极 | O.05 | 13.1 | 23 | ||
| 3 | 光敏三极管发射极(热地) | 3.1 | 0 | 7.5 | ||
| 4 | 光敏三极管集电极(热地) | 3.5 | 29 | 12.5 | ||
2.STR—G8656工作模式简介
STR—G8656(N907)内含固定频率约为20kHz的自激多谐振荡器,其引脚功能及实测值见下表。只要STR—G8656(4)脚电压高于16V,其内部的多谐自激振荡器就启动工作。启动工作后,若STR—G8656(4)脚电压低于10V,振荡器便停振。振荡器的工作模式有两种:一是低频工作模式,即振荡方波的低电平(开关管截止)时间长且固定,振荡方波的高电平(开关管导通)时间可调,此模式常简称为PRC模式,适用于轻负荷状态。二是高频工作模式,即开关管的截止时间较短,且不受内部振荡器控制,而是由开关电源变压器的原边绕组(10)-(13)与场效应管漏极对地电容C964的谐振频率及延时电路的延时时间决定,如下图所示。由于脉冲的占空比与LC谐振有关,因此这种工作模式又称为准谐振模式。由于该模式下驱动开关管的脉冲占空比较高,故适用于重负荷状态。
| 脚号 | 符号 | 功能 | 直流电压(V) | 对地电阻(kΩ) | ||
| 有信号 | 无信号 | 红笔接地 | 黑笔接地 | |||
| 1 | D | 漏极输出 | 305 | 310 | <600 | 6 |
| 2 | S | 源极引脚 | 0.O5 | 0 | 0 | 0 |
| 3 | GND | 接热地 | O | 0 | 0 | 0 |
| 4 | Vin | 32V供电 | 32 | 32 | <600 | 5.5 |
| 5 | OCP/FB | 反馈及过流保护 | 2.4 | O.35 | O.7 | 0.6 |
提示:PRC是PulseRataoControl的缩写,即关断时间一定,调节导通脉冲宽度的控制方式的简称。
(1)PRC模式此模式下,N907(5)脚无正反馈脉冲输人,开关管的截止时间由内部电路固定。场效应管导通时的漏极电流在R967上形成的电压,与N907内部固定偏流在R968上形成的直流压降之和等于N907(5)脚电压。当N907(5)脚电压峰值升至0.73V(比较器1的门限电压典型值)时,比较器1翻转输出低电位,于是c1通过振荡器内部电阻放电,其放电时间约为40μs,在此期间因振荡器输出为低电平,开关管一直截止。当C1两端电压由5.6V放电降至1.2V时,振荡器输出高电平,开关管导通,进入第二个振荡周期。
提示:当处于“自由听”状态时,N103的(64)脚由0V变为5V,V102饱和,V902基极偏压由正常工作时的饱和状态变为截止状态,则光耦N902由正常时的导通状态转为截止状态,使sTR一8656G工作在轻负载状态。由此可见,光耦N902在本电源中只起开关作用,不参与调压。
(2)准谐振模式正常工作时,光耦导通。开关管截止后,开关变压器次级各二极管导通,向负载释放能量。在释放完能量后,开关管并未马上导通.初级(13)-(10)绕组与电容(7964串联谐振。
在此期间.正反馈脉冲经VI)952整流R959、C960延时,通过光敏三极管及VD951反馈到N907(5)脚,使该脚电压迅速上升至34V,已超过比较器2门限电压典型值1.45V,比较器2翻转,输出低电压,c1迅速放电,约1μs后,C1两端电压降为1.2V,振荡器输出高电平,开关管导通,如此周而复始。
3.启动与稳压
通电后,+300V电压一路经开关变压器初级绕组(13)-(10)、电感L904、L914加到N907(1)脚(开关管漏极);另一路通过启动电阻R903向电容C961充电,即N907(4)脚电压随时间呈指数规律上升。当N907(4)脚电压达16V时,N907内部振荡器开始工作。开关电源启动后,正反馈绕组(15)-(17)的感应电压经VD947、C961整流滤波得到约32V的直流电压加至N907(4)脚,取代原启动电压。
提示:电容C961的容量不能太大,否则会使电源的启动时间过长;也不能太小,否则会在启动初期因放电太快不能提供200mA的启动电流,从而使电源处于断续振荡状态。
该电源采用初级取样方式进行稳压,取样电压为N907(4)脚电压。N907内置的误差放大器将取样电压转换成误差电流,经R968、R967到地,参见图16。由于N907(5)脚电压为Ir在R968上的压降与漏极电流在R967上锯齿波电压之和,即(5)脚电压波形的底部电压由i,电流决定,如右图所示。当(5)脚电压峰值超过比较器1的门限值0.73v时,比较器翻转,开关管截止。
当某种原因使开关电源的输出电压升高时,N907(4)脚电压升高,经过N907内部高精度的误差取样电路放大后的反馈电流也将增大,R968的压降增大,N907(5)脚电压提前升至O.73V,开关管提前截止,开关电源的输出电压下降,反之亦然。
4过压、过热锁存保护
当次级电压升高或稳压环路失控导致N907(4)脚电压升至37.5V时,IC内部的过压保护电路启动,持续8gs后,进入锁定状态。
若N907中基板温度超过140℃。IC内部的过热保护电路启动。持续8μs后进入锁定状态。
提示:锁定状态时,N907(4)脚电压在10V~16V之间波动。要解除锁定状态,须使(4)脚电压低于6.5V,通常切断电源再开机即可。


