室内机主要包括电源、上电复位、晶振、过零检测、室内风机控制、温度传感器、EEPROM、显示驱动、应急控制及通信等电路。CPUIC08(ST324)是控制电路的核心。室内机电气接线图如上图所示。
(1)电源电路
1)分析电源电路为空调器室内机控制系统,如CPU、VFD(荧光屏)、驱动芯片、继电器、蜂鸣器、可控硅等,提供电源。如果电源出现问题,控制电路就无法正常工作。
电源电路如右图所示。交流220V经电源变压器降压后由(5)脚和(6)脚输出AC12V,经过D02、D08、D09、D10整流,D07、C08、C11滤波后得到DC12V电压(为TDA62003AP驱动集成块及蜂鸣器提供工作电源),再经LM7805稳压及C09、c12滤波后,便得到稳定的5V直流电,为单片机及一些控制检测电路供电。电源变压器的(7)和(9)脚输出的交流电压,经D12、D05、D06、D11整流后,为显示屏提供22V工作电源。
2)诊断诊断电源电路的故障,可以从后一级向前一级进行测量。先用万用表的直流电压挡测LM7805是否有5V电压输出。
如没有5V电压,可能是前一级出现问题,可以用万用表的欧姆挡分别测试二极管D07等是否开路。如一切正常,则可能是变压器开路。测量的方法是,用万用表的电压挡测试变压器的(5)、(6)脚是否有12V电压输出。如没有,断开电源,测变压器初、次级线圈的电阻,是否断路和短路。
(2)上电复位电路
上电复位电路如下图所示。
1)分析5V电源通过HT7044A的(2)脚输入,D13为钳位二极管。平时,单片机的(24)脚为高电平,在上电或受到干扰时,IC04的(1)脚输出一个正脉冲信号,至单片机的(24)脚,复位单片机。C13用来调节复位脉冲的宽度。
2)诊断在上电复位电路中,一般的故障出现在HT7044A的电源监视器上。如果复位不正常,可能是HT7044A不能输出一个低电平,这时可在复位情况下,用示波器测试(1)脚的输出波形。如果要用万用表进行检测,则步骤是:在DC1.2V量程内,将万用表的“+”端子接在单片机的(24)脚,“-”端子接于0V(接地线),然后接通电源,这时如指针在瞬时摆动后又恢复到0V位置的话,则复位电路正常。
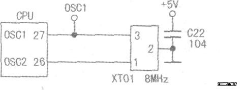
(3)晶振电路
晶振电路如左图所示。
1)分析晶振XT01(1)脚和(3)脚接单片机的(19)脚和(20)脚,(2)脚接地,为系统提供8MI-{z的时钟频率。
2)诊断如晶振不良,整个空调器就不能正常工作或者出现紊乱。可以用示波器测量来判定晶振的好坏。 根据时钟频率为8MHz,便可知时钟周期为0.125μs。用万用表检测的步骤是:在DC1.2V量程内,将万用表的“+”端子接单片机的(19)脚(或(20)脚)。“-”端子接0V(接地线)。万用表显示的电压介于波形的上、下部之间,则波形正常。万用表所显示的电压:(19)脚为2.31V.(20)脚为2.46V。
(4)过零检测电路
过零检测电路参见右图。
1)分析电源变压器输出的ACl2V电压经D02、D08、D09、D10整流后.输出脉动直流电压,经R12和R16分压后接至Q01基极。当该电压小于0.7V时.Q01截止;芯片(32)脚处于高电平.当该电压大于0.7V时,Q01导通。这样.便得到一个过零触发的信号。R18为限流电阻。
2)诊断在实际故障检修中,发现Q01S8050很容易损坏,致使空调器室内机风机不能正常工作。此时,可用示波器检测单片机(32)脚,如果风速正常、电源电压正常.则可得到一个100Hz的方波.如果方波不正常,说明过零检测电路有故障。

