在设计和制造集成电路时,需给输入端提供合适的电压,以满足内部各晶体管的偏置要求。因此,在线性应用时,只要按技术要求,提供合适的电源电压,运放内部各级工作点就是正常的。这里说的静态调试,主要是指单电源供电时的调试和调零等内容。
1、单电源供电电路静态调试
单电源供电的反相交流放大电路及自举式同相交流放大电路分别如上图a、图b所示。电路偏置电压设置原则是将u+、u-、uo三端直流电压调至电源电压的一半。
在静态调试时,若用数字万用表测U+、U-、Uo电压等于电源电压的一半,说明静态工作点适合,如有偏差,应检查偏置电阻R2、R3阻值是否相等,如果电阻R2、R3阻值相等且电路装接无误,则说明运放损坏。
2、调零
在电路工作正常的情况下,当输入端对地短接时,其输出端对地电压应为0V。
对有外接调零端的运放,可通过外接调零元件进行调零。μA741外接调零元件的调零电路如中图所示,将输入端接地,调节RP使输出端电压为0V。
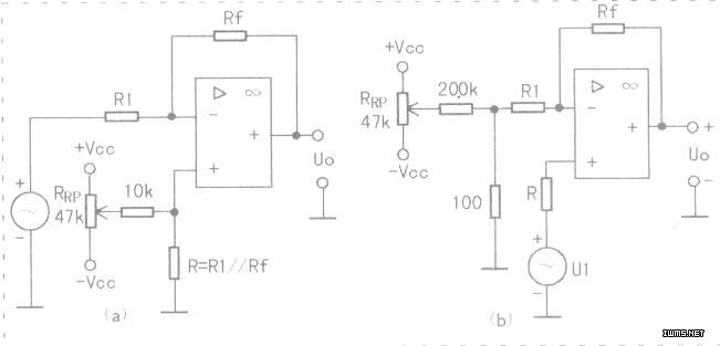
当集成运放没有调零端时,可采用外加补偿电压的方法进行调零。其基本原理是在集成运放输入端施加一个补偿电压以抵消失调电压和失调电流的影响,从而使输出为零。同相调零及反相调零电路分别如下图a、下图b所示。
对于工作在弱信号状态的集成运放电路,上述电路的电阻应采用金属膜电阻或线绕电阻,以减少电阻本身温漂的影响。
对于工作在交流信号处理状态的集成运放,因电路中有耦合电容隔直,可以不进行调零,但耦合电容最好选用无极性电容或性能较好的电解电容。
3.静态调试中可能产生的问题及其解决办法
(1)集成运放不能调零,即调零电位器不起作用,其常见原因如下:集成运放处于非线性应用状态,即开环状态或组成正反馈电路,输出电压为正电平或负电平,电压值接近正电源电压或负电源电压,这时调零电位器不起作用属于正常情况。如将集成运放的输出信号引回到输入端,即接成负反馈电路形式,输出电压仍为某一极限值,调零电位器不起作用,可能是接线有误,接成了正反馈电路,或是负反馈支路虚焊后呈成开环状态,也有可能是集成运放组件内部损坏。
(2)“堵塞”现象。所谓“堵塞”现象,是指运放不能正常工作或者不能调零,关断电源一段时间后再开机,又可恢复正常工作或者可以调零。产生“堵塞”现象的原因,是输入信号幅度过大或混入干扰,使集成运放输入级晶体管饱和,则集电结由反偏变为正偏,即集电极电压变化的相位和基极电压变化的相位相同,因而使原来引入的负反馈变成正反馈,致使输入电压升至极限值,对输入信号不再响应,即使输入电压减至零,也不能使输出电压回到零,必须切断电源重新开机方能正常。严重堵塞时可能会烧毁运放组件。堵塞现象可以采用加装限幅保护电路来防止,如右图所示。


