手机中的功率放大器都是高频宽带功率放大器。顾名思义,此放大器用于放大高频信号并获得足够大的输出功率,已广泛用于发射机、高频加热装置和微波功率源等电子设备中。
根据工作频带的宽窄不同,高频功放可分为窄带型和宽带型两大粪。所谓频带的宽窄,指的不是绝对频带,而是相对频带,即通频带与其中心频率的比值。
宽带型高频功放采用工作频带很宽的传输线变压器作为负载的功率合成器。由于采用谐振网络,因此可以在很宽的范围内变换工作频率,而不必调谐。
传输线变压器是由绕在高导磁率磁环上的传输线构成的。在一些手机电路中,广泛使用微带线电路。诺基亚6150手机中的一个功率放大器如上图所示,图中的短粗线就是微带线,在手机PCB板上是不同形状的铜线。
调制后的射频信号经功率放大后就可以进行传输,因此常将这个功率放大器称为发射功率放大器。发射功率放大器总是工作在大信号状态下,且能在一给定频率上或频率范围内输出一定的发射功率。
在移动电话中,常采用硅场效应管和砷化镓场效应管作为功率放大管,因为它们的导热率比锗管高许多。另外,现在越来越多的手机使用功率放大器组件。一个完整的功率放大器通常包括驱动放大、功率放大、功率检测及控制、电源电路等。
选择功率放大器时,首先要求输出功率、带宽和效率,其次是输人、输出电压驻波比等参数。
在上图中,N501的(8)脚是射频输入端,(9)脚是控制端,(11)~(14)脚是VBATT电源端与输出端,(1)、(2)脚与⑩(16)脚是VTX电源端。
中图是诺基亚8550手机的功放电路,N702的(1)、(2)脚是控制端,(8)脚是输入端,(3)、(6)脚是电源端,(4)、(5)脚是输出端。从(4)、(5)脚的英文标识来看,一脚输出GSM信号,一脚输出DCS信号,由此可见该功率放大器模块可工作在GSM/DCS模式下。
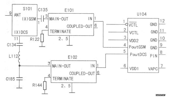
下图是松下GD90手机的功放电路,UlO4是功率放大器,(8)脚是信号输入端,(1)、(2)脚是控制端,(3)、(6)脚是电源端,(4)、(5)脚是信号输出端。由(4)、(5)脚的英文缩写可以确定,该手机是双频手机,其功率放大器可工作在CSM与DCS模式下。
右图是摩托罗拉cd928手机的功放电路,其功率放大器不易查找,但根据手机发射机的电路结构还是可以找到,首先找到天线符号,天线符号所接的是天线开关电路;其次V401(2)脚标有“TX”字样,则该引脚是发射信号输入端,那么从(2)脚出发反方向寻找就可以找到功率放大器U301。


