·上一文章:美的PVY22A型电磁炉高压保护电路的特点与作用
·下一文章:洗车不宜太勤 当心过度清洗导致车漆受损
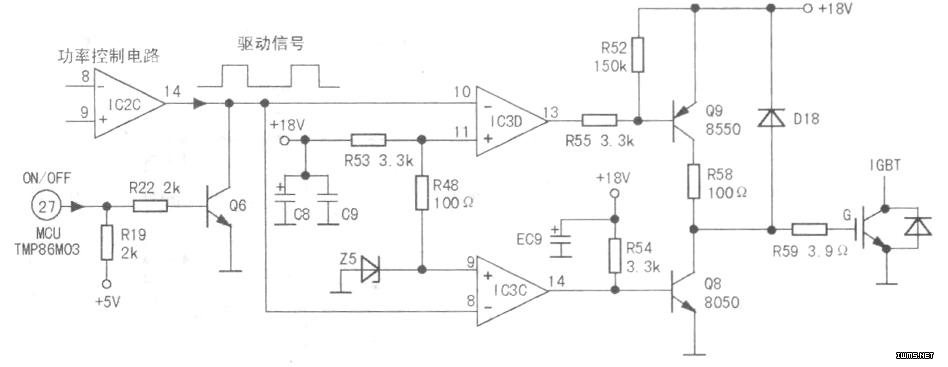
作用:在IGBT管导遭时,给IGBT管G极加上十几伏的电压,使其可靠导通;在IGBT管截止时,给ICBT管C极提供放电回路。
特点;该电路的供电电压常为+l8V~+22V,电路形式多为两只互补三极管接成的推挽输出方式。若采用集成块,其型号多为TA8316或TA8316S。
原理简析:该电路主要由电压比较器IC3C、IC3D及三极管Q8、Q9等组成,如图所示。来自电压比较器IC2C(14)脚的控制信号分别送到比较器IC3C和IC3D的反相输入端的(8)、(20)两脚,由于(9)、(11)两脚的电压不变(基准电压),当送来的控制信号波形处于高电平时,(13)、(14)两脚都输出低电平,Q9导通,Q8截止,l8V电压经过Q9的e-c极及R58、R59流向IGBT管的C极,IGBT导通;当送来的控制信号波形处于低电平的时候,(13)、(14)两脚都输出高电平,Q8导通,Q9嵇止,IGBT管工作于截止状态。此时,IGBT管G极储存的电荷通过R59及Q8的c、e极放电(保护IGBT管)。
提示:
1.若Q9短路或Q8开路,易损坏IGBT管;若Q9开路或Q8短路,IGBT管不工作,即整机不加热。
2.不安装IGBT管或不接加热线圈试机,IGBT管G极电压应小于0.5V(通常为OV),否则,表明电路仍有故障。
