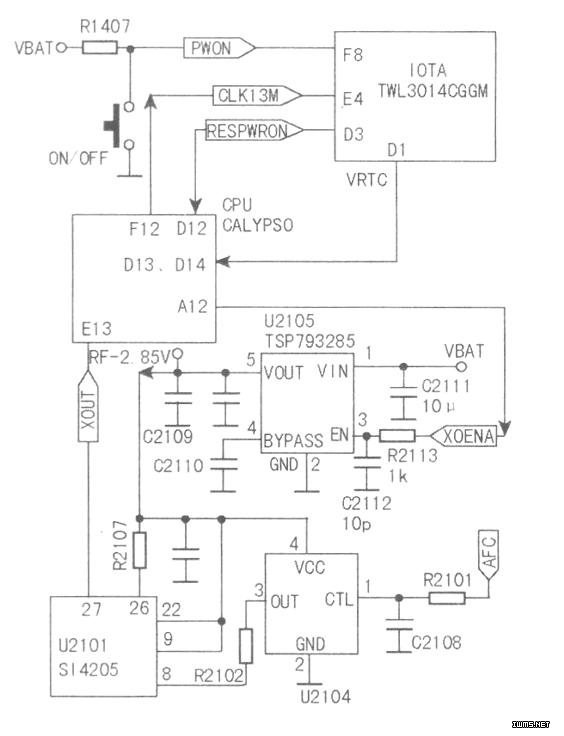
一、开机电路分析与检修
该型手机的开机电路如下图所示。
1.开机过程
上电(电压大于3.8V)后,电源IC内部电压调节器将产生不间断电压UPR,电源IC输出电压TC给CPU的时钟电路和32.768kHz晶体供电,32.768kHz晶体起振,使手机处于开机守候状态,其信号流程如右图所示。同时,当上电时,VBAT经过Rl407使开机端(PWON)处于高电平。
按下开机键(大于30ms时),PWON端被拉低,低电平触发有效,电源IC工作,输出VSIM、VS、VFLASH、VIO、VDBB、VABB等组电压.同时输出复位信号RESPWON给CPU,使其复位,随即CPU的Al2脚输出控制信号XOENA给U2105,使其工作后输出RF-2.85V电压,给l3MHz晶体(U2104)和射频IC(U2101)供电,l3MHz起振输出l3MHz信号,经U2101内部进行放大后送给CPU,CPU处理后再分别给电源IC,摄像IC、和弦IC提供工作时钟,随即进行软件自检,自检无误时输出维持信号,使手机持续开机。
小结:从以上开机过程可知,要正常开机需以下5个信号正常,即电源、复位、时钟、软件自检、维持信号。
2.不开机故障检修
(1)加电接开机键无电流反应此故障为开机电路故障,需作以下检查:电源是否加到电源IC上;是否有VRTC电压;32.768kHz品振是否起振;开机键是否正常;电源IC是否工作,CPU内部32768kHz振荡电路是否正常;开机时电源IC的F8端是否为高电平。
(2)加电投开机键后撞机电流为10mA~3OmA此故障为主时钟电路故障,需作以下检查:时钟供电是否正常;l3MHz是否起振;射屏IC是否有l3MHz晶振输出;CPU是否输出控制信号XOENA到U2105(3)脚。
(3)加电按开机键后整机电流约为50mA此故障为软件故障。
(4)加电接开机键有lOOmA左右的电流此故障为逻辑芯片焊或损坏,可用按压法判断。
(5)加电接开机链可以开机,但松手后就关机此故障分两种情况:一是按住开机健不松可以正常开机,松手就关机,此故障表明无绯;I寺信号;二是按住开机键可以开机,但找到网络后不松手也自动关机,此故障通常为软件故障。
(6)加电接开机键有大于20OmA的电流此故障表明CPU、电源IC、FLASH内都有短路现象。
(7)加电有500mA左右的电流此故障表明电源IC、CPU、功放、和弦IC等与VBAT直接接通的元器件有短路现象,逐一断开检查即可。
