1.1 双光束分光光度计原理
分光 光 度计利用的基本原理是郎伯特一比尔(Larnbert一Beer)定律,即溶液的吸光度Abs与溶液的吸收系数a,浓度C,液层的厚度L成正比。
即:
式中:T为透过率,Ia为人射光强,I}为透过光强。每种物质都有特定的吸收光谱曲线,通过测量不同波长处待测物质的吸光度或透过率值得到其吸收谱线,与已知谱线比较即可鉴别该物质或测定该物质的浓度。常用分光光度计基本结构如图1所示,由光源、单色仪、样品池、探测器、放大器、记录仪6部分组成。
图1 分光光度计基本结构框图
双光 束 分 光光度计光路结构如图2所示。由钨灯和氛灯分别提供可见光和紫外光的连续光源。单色仪将光束分为单色光后通过一个快速转动的扇形旋转镜将光一分为二分别打到样品池和参照池上,以此消除光源变化带来的误差(因此称为双光束式分光光度计),用同一个探测器(光电倍增管PMT)交替接收透过的光强信号。

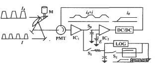
1.2 分光光度计信号特征
信号 处 理 过程如图3所示。透过样品池光束I和参考池光束Io,通过旋转镜M交替打到光电倍增管上,其输出信号经运放IC,放大成to -F L,再经与旋转镜M同步的开关so,si 将信号分离为i。和i。参考信号io与标准电压E之差通过运放ICz放大后控制PMT(打拿极)电压,使得i。与E保持一致。在参考信号连续控制PMT的负电压下测量样品信号可以消除电压及光源的波动影响,提高测量精度。此时样品信号i输出为与样品池的透过率成正比的电压信号,也可再经对数运算电路得到与吸光度值成正比的连续变化的模拟电压信号。此电压信号变化速率主要由波长扫描速度和记录仪走纸速度决定,为低频信号。数量级为0-100mv的模拟电压信号输出到记录仪经放大后驱动描记电路,使电信号转换为记录笔的机械动作从而画出吸收(或透射)光谱曲线。由上可知分光光度计输出信号是与所测参数成线性关系的电压模拟量信号,易于利用数字电路处理。

图3 测量信号处理框图