控制电路分析水仙牌XQB30-23型全自动洗衣机控制电路如图所示,由电源电路、时钟电路、功率驱动电路、显示输出电路、键扫描电路、欠压保护电路、过流保护电路、蜂鸣电路等单元组成,其中,程序控制器电路以单片机8049为核心。
1.电源电路
电源输入的Ac220V电压经变压器降压,VD1—VD4桥式整流,C1、C2滤波后分成两路:一路约为+14V的直流电压,供给继电器和蜂鸣电路;另一路经三端集成稳压器7805输出稳定的5V直流电压,作为程序控制器电路的主电源。
2.功率驱动电路
XQB30-23型洗衣机用4个继电器作为执行器件,实施对电动机、进水电磁阀和排水电磁阀的控制。因单片机的输出端不能直接驱动继电器,所以IC(12)~(15)脚均外接一个工作于开关状态的晶体管VT3~VT6。
VT3~VT6既作电流放大,又作为控制继电器的电子开关。在洗衣机处于洗涤或漂洗状态时,IC(12)脚和(13)脚中只可能一个输出高电平。(13)脚输出高电平时,晶体管VT5饱和,继电器KR3吸合,电动机得电作正向运转;(12)、(13)脚均为低电平时,VT5、VT6均截止,电动机断电停歇;(12)脚输出高电平时,VT6饱和,继电器KR4吸合,它的转换触点KR4接通其常开端,电动机作反向运转。
在进水过程中,IC(15)脚输出高电平,VT3饱和,KR1吸合,进水电磁阀通电开启。
水到位后,水位开关闭合,微电脑检测到这一信号,立即使其(15)脚为低电平,VT3截止,KRJ释放,电磁阀断电关闭。
在排水或脱水过程中,IC(14)脚输出高电平,VT4饱和,KR2吸合,排水电磁阀得电开启,并将离合器置为脱水状态。在预浸、洗涤和漂洗过程中,IC(14)脚为低电平,VT4截止,KR2释放。
3.键输入电路
XQB30-23有5个功能按键,采用3×2矩阵。其中,S1为启动/暂停键;S2为水流选择键;S3为程序选择键;s4和s5分别为洗涤和脱水时间设置键。键输入的方式是动态扫描方式。
4.显示电路
X0830-23型洗衣机用7个发光二极管作功能显示。其中,VD11~VD14分别显示浸泡、洗涤、脱水和漂洗程序;VD15~VD17则分别为大物、标准、轻柔三种水流指示。显示控制电路采用动态扫描方式,IC输出的显示信号均经过晶体管作反相电流放大后再加在各发光二极管的正极上;只有两条位扫描线,由IC(19)脚和(18)脚输出的扫描信号是反相的,各在半个周期内点亮接在自己扫描线上且得到显示信号的发光二极管;各发光二极管采用共阴极接法。例如在扫描信号的前半个周期内,IC(19)脚为高电平,(18)脚为低电平,即VT22饱和,VT23截止,则VD11~VD14可以发光,但还得看IC的(35)~(38)脚有无控制信号输出。如此时(37)脚为低电平,其他3脚为高电平,则只有VT12饱和导通,VD12亮。在后半个周期内,IC(19)脚为低电平,(18)脚为高电平,即VT22截止、VT23饱和,VD15~VD17可以发光,但同样要看(35)~(38)脚的控制信号。如此时变为只有(36)脚低电平,则VT13饱和,VD17亮。也就是说,在前半个周期VD12亮,而后半个周期VD17亮,如此重复。因人眼的视觉暂留作用,当扫描信号频率高于50Hz时,则给人的感觉它们始终是同时亮的,即显示洗衣机在用“轻柔”水流进行“洗涤”。
XQB30—23型洗衣机上有二位LED数码管,用来显示操作者设置的浸泡时间(20min),洗涤时间(0~16min)和脱水时间(0~5min);在自校程序中,用来显示洗衣机的工作状态和故障部位。电路中,仍利用IC(18)、(19)两脚输出的扫描信号进行动态显示,控制数码管的笔段码信号由IC(27)~(33)脚(P10~P16)输出,有效电平为低电平。在每个笔段码输出端都接有PNP型晶体管作电流放大。十位和个位数码管分别在键扫描信号的前、后半周期内发光。例如,当IC的(19)脚为高电平、(18)脚为低电平时,VT22饱和、VT23截止,只有十位数码管能亮,即(27)~(33)脚输出的笔段码信号使十位数码管中的有关笔段同时亮;当(19)脚为低电平、(18)脚为高电平时,VT22截止、VT23饱和,笔段码信号使个位数码管中的有关笔段同时亮。
5.欠压保护电路
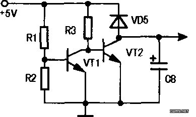
为了防止因电源电压过低或电源间断性供电而引起电脑工作状态混乱,本机设置了欠压保护电路。电路由VT1、VT2等组成,如右图所示。
当电源电压正常时,三端集成稳压器7805输出的电压为稳定的5v直流电压(VCC)。这时VT1基极电压为0.7V,V11饱和。因VT1的饱和,VT2基极电压只有0.1V左右(VT1的饱和压降),所以VT2截止,IC的(4)脚为高电平,单片机控制洗衣机正常运转。
当由于某种原因使Vcc电压低于4v时,则VT1的基极电压低于0.6V,VT1截止,VD2饱和,IC的(4)脚立即变为低电平,单片机复位,中断程序的继续进行。VD5是钳位二极管,以防止IC的(4)脚电位超过5.7V而损坏单片机。在刚接通电源时,C8的充电过程使IC的(4)脚为低电平而复位。当瞬间掉电时,能保持(4)脚一段时间的高电平,以维持程序的连续性。
6.过电流保护电路
为了防止由于某些原因造成排水电磁铁吸合不到位,引起过载电流而烧毁排水电磁铁,程序控制器中还设置了过电流保护电路,如左图所示。
过电流保护电路主要由电流互感器T2、VT9、VT10、VD10等组成。互感器初级线圈串联在排水电磁铁的回路中,初、次级匝数比为1:300。工作正常时,排水电磁铁回路中的电流小于1.3A,次级线圈中的电流在R18上的电压降低于3.9V。这一电压经VD10半波整流,并由C12、R17、C10组成的π型滤波电路滤波后,得到一个直流电压值,再经R15、R16分压后加在VT10的基极上。正常工作时,因vTlO的基极电压约为0.49V而截止,IC(24)脚为高电平,洗衣机正常洗衣。
洗衣机进入排水状态时,如排水电磁铁吸合不到位,则回路中电流会增大到1.7A以上,此时电流互感器T2的次级中感应电流在R18上的压降将超过5V,VT10由截止变为饱和,IC(24)脚变为低电平。微电脑得到这一信号,立即从(16)脚输出高电平,一方面使VT9饱和而将IC的(4)脚置于低电平,单片机转入复位状态,各继电器均释放。因KR2断开而将排水电磁铁断电,不至于长时间通入过载电流而使其烧毁。另一方面,(16)脚输出的高电平信号使VT8饱和,接通蜂鸣电路发出报警信号。蜂鸣电路由R6、R7、R8、VT7、及压电陶瓷片B组成。
7.时钟与复位电路
单片机的所有程序都必须在时序脉冲的控制下。严格按照机器周期及指令周期一步一步完成。8049的(2)、(3)脚外接晶振JZ及阻容元件为单片机8049提供时钟信号。
(4)为单片机的复位端,低电平有效。刚通电时,因C8充电而使8049的(4)脚为低电平,单片机内部寄存器清零,电脑呈初始状态,并开始执行程序指令。
与线圈并联的二极管‘VD6~VD9为保护二极管,用以防止三极管VT3~VT6由饱和转为截止时,突然的电流变化在继电器线圈端产生很高的自感电动势而击穿三极管的c—e结,使自感电动势在经过二极管时在二极管的内阻中消耗掉。
R19、C14及R20、C15分别为KR3和KR4触点火花消除元件,吸收触点断开时产生的自感电流。C16和C13分别为进水电磁阀和排水电磁阀的吸收电容,用于吸收电流突变时线圈自感而产生的瞬间高压。上述元件都是为了减小感性负载在电流突变时对外界的干扰。
继电器同时采用常开触点和常闭触点,常开触点接电机反转的绕组,常闭触点串接于常开触点电路中,目的是实现KR3和KK4常开触点互锁,即KR4常开触点闭合时,KK3的供电回路必然是断开的。只有KR4断电,即KR4的常开触点断开、常闭触点接通时,KR3的供电回路才能够接通。
