KM-02型重量变送器由检测头和电源及信号放大器两部分组成。其中电源及信号放大器做成一个整体。密封于一小塑料盒内。检测头主体为一块s形金属。在中间开有一圆角方形孔,孔内安放张力检测电路(见右图)。检测头两端有螺纹孔。用于将检测头固定在机器相应位置。
张力检测电路由电阻构成电桥,其中R1、R4为定值电阻,R2、R3为应变电阻,粘贴于检测头孔的内壁上,其阻值随金属基座变形而变化。+E、-E为电源的正负端。+S、-S为检测信号输出端。
静止状态下。R1=R2,R3=R4,+S和-S间的电位差接近于0。若外界的张力由相关机件和检测头固定螺栓传送到检测头金属上,检测头金属会有一个细微的形变。从而使R2和R3的阻值产生变化。造成电桥失衡。在+S和-S端产生电位差,即张力信号电压。张力越大,金属变形程度越大,张力信号的幅值就越大。且在一定范围内呈现出线性正比关系。
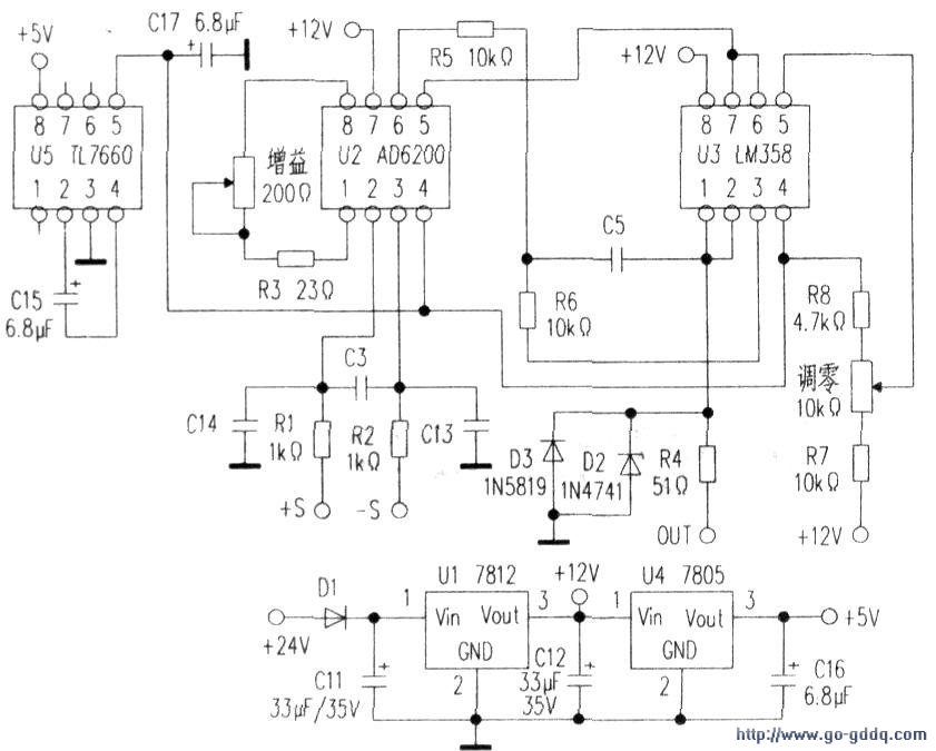
实际应用中,检测头输出的张力信号电压数值很小(mV级),不能直接被有关控制器件识别和使用,因此,在检测头和控制器件间还连接有信号放大器。该放大器除能对张力信号放大外,同时兼有电源管理功能。其电路见下图。
电源管理部分由两个集成三端稳压器和一个电压反转器构成,外部输入的+24V直流电压。通过集成三端稳压器7812和7805后,分别得到+12V和+5v两种直流电压,+5V,电压接入电压反转器TL7660(8)脚,从(5)脚输出-5V直流电压。
信号放大部分由仪表放大器U2(AD620)和双运算放大器U3(LM358)组成。张力检测头输出的信号经Rl、R2由U2的(2)、(3)脚输入,经U2内部放大处理后,由其第(6)脚输出。U2的(1)、(8)脚接增益调整电位器,(5)脚为反馈输入端。(7)脚为正电源端,(4)脚为负电源端。由U2第(6)脚输出的信号经R5、R6加到双运算放大器。U3(LN358)第(3)脚,作进一步放大处理唇,由U3的第(1)脚经114、D2、D3输出最终的张力信号。U3(LM358)的(8)脚为电源正端,(4)脚为电源负端。(2)、(3)脚为第一运算放大器的反相和同相输入端,(1)脚为其输出端。(5)、(6)脚为第二运算放大器的同相和反相输入端。⑦脚为其输出端。调零电位器在静止状态时。将输出的信号归零。
