·上一文章:巧用电池电量的LED灯
					·下一文章:24V电动车开关电源充电电路
				
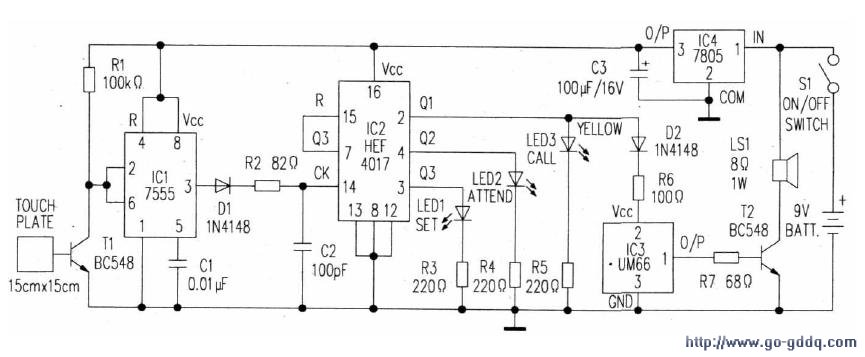
		       这种触摸式的求助板对老弱病残需要有人帮助时非常有用,求助者只需触摸一下装在手边的求助板,触敏电路就会自动发出求助信号。吸引其他人员注意而及时得到帮助(见附图)。显示板上的黄色LED3亮指示有求助呼叫发生,红色LED2亮指示需要立即救助,而绿色LED1指示电路接通后的待机状态。
当求助板被人触摸时,人体电荷使晶体管T1得到正偏而导通,导通后其输出负脉冲触发芯片7555(IC1),IC1输出变高且维持一定时间。
IC1输出脉冲的上升沿又触发HEF4017(IC2),IC2是有十个解码输出端的十进计数器。此计数器在脚为低电位期间,其输出端根据其时钟输入脚收到的上升沿时钟脉冲逐个向前推进。
复位脚收到上升沿信号时使IC2复位。
当IC2通过二极管D1和电阻B2从IC1收到时钟脉冲时,其Q1输出变高,并通过二极管D2和电阻R6使曲调发生器IC3获得正电源,同时黄色LED3发光。从IC3送出的曲调经晶体管T2放大后从扬声器LS1放出。
在IC2收到第二个脉冲后,其Q2输出变高,这时求助呼叫声停止。红色LED2发光,表明需要立即救助。电容C2可以防止告警电路的偶然误触发。
IC2的Q3输出脚与其复位脚相连,因此在IC2收到第三个脉冲时就复位。
归纳起来讲:第一次触摸时发出求助呼叫;第二次触摸时停止呼叫,并使立即救助灯红色LED2点亮;第三次触摸是在得到救助后点燃绿色LED1。因此,如果红色LED2一直亮着,就表明求助人尽管已发出求助呼叫,但没有人注意求助人。
触摸板可用15cm×15cm的铝箔或铜箔板制作,用1m长的塑料电线连接至电路。
电路用9V电池供电,也可采用有9V直流输出的交流适配器。
