·上一文章:容器到外部环境的热阻
·下一文章:基于虚拟仪器三维四翼混沌系统研究及实现
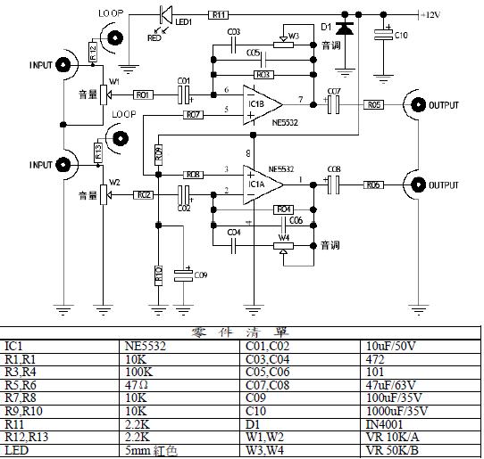
这是一款德国人用NE5532设计的高保真立体声耳机放大器,NE5532 是广大音响. 爱好者所熟知的HI-FI 级前置放大集成电路,其出色的音质表现被广大发烧友所推崇;虽然采用单电源供电,但实际听音效果还是很不错的,有兴趣者不妨试一试。

主要參數:
(1)输入阻抗:10K ohms
(2)输入电平:500mV-700mV
(3)输出阻抗:20-200 ohms
(4)信噪比:90dB
(5)声道分離度:>75dB
(6)工作电源:15V DC 200mA