·上一文章:海信ITV2911型彩电有时不能启动
					·下一文章:由Y977A/B构成的装饰灯控制器电路
				
		       
 
 
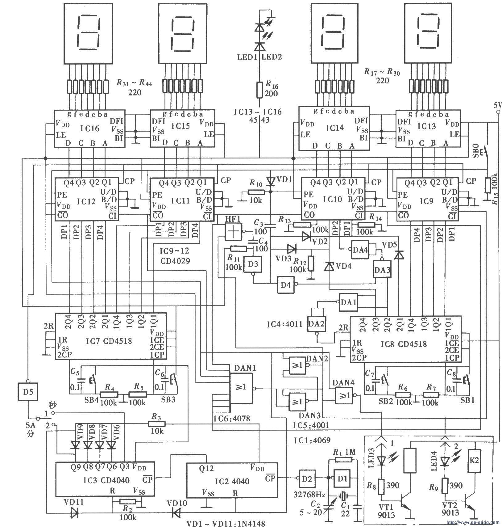
该电路采用石英晶体振荡器作时基脉冲振荡器,通过数字分频后取得秒时基或分时基信号。再通过计数器、译码器及显示器将定时时间显示。由于采用了石英晶体振荡器作时基脉冲,所以本定时器具有很高的定时精度。若在电路的输出端连接输出驱动电路与继电器,便可组成一台完整的定时控制器。采用倒计时定时方式,所以设有定时预置电路,可通过预置电路设定所需定时时间。定时预置范围分别为99小时59分和99分59秒。电路组成如图所示。全电路由“秒”、“分”时基发生电路,定时预置电路,时间计数电路,译码驱动与显示电路和控制电路等部分组成。
 
 









