首 页文档资料下载资料维修视频包年699元
请登录  |  免费注册
当前位置:精通维修下载 > 文档资料 > 家电技术 > 单元电路介绍 > 其它电路
可提升激励电压的宽带应变信号调理器
来源:本站整理  作者:佚名  2010-05-20 10:42:09



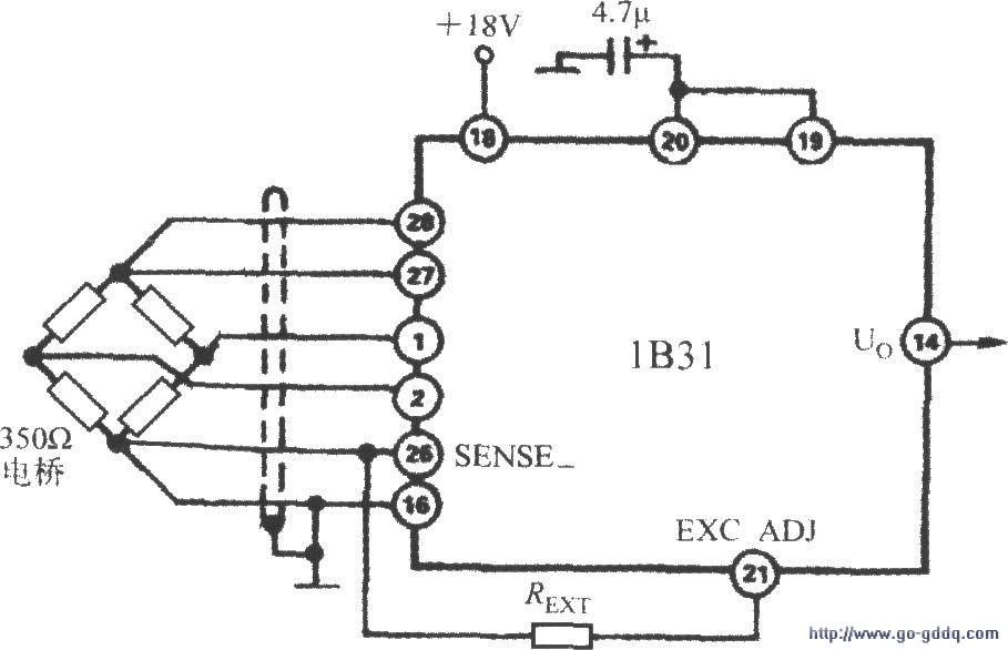
提升激励电压的电路(宽带应变信号调理器1B31)

当宽带应变信号调理器1B31第19脚接第20脚时,由可编程电桥激励源输出的激励电压UEXC= 10V。要使UEXC提升到 10~ 15V,必须在EXC ADJ端和SENSE-端之问接一只电阻REXT,电路如图所示。REXT值由下式确定(电阻单位是kΩ):

提升激励电压的电路(宽带应变信号调理器1B31)

式中,

提升激励电压的电路(宽带应变信号调理器1B31)

关键词:

文章评论评论内容只代表网友观点,与本站立场无关!

   评论摘要(共 0 条,得分 0 分,平均 0 分)
Copyright © 2007-2017 down.gzweix.Com. All Rights Reserved .
页面执行时间:70,640.63000 毫秒