音频处理电路如下图所示。
1.双声道虚拟环绕声处理电路
康佳K系列彩色电视机采用了SRS双声道虚拟环绕声技术,以提高彩色电视机的音质,增加临场感。SRS意为声音恢复系统,它是根据人类听觉系统,即入耳对来自不同方向的声音有不同的频响,人脑可以据此经过逻辑判断和经验就可以判别声音来自空间中各个不同方位来实现的。

SRS双声道虚拟环绕声处理电路以N204 (M62438FP)为核心构成。M62438FP引脚功能及实测数据如表所示。
| 脚号 | 功能 | 电压(V) | 脚号 | 功能 | 电压(V) |
| 1 | 电源 | 8 | 6 | 地 | 0 |
| 2 | 右声道输入 | 3.4 | 7 | SRS开关 | O |
| 3 | 微分输入 | 4 | 8 | 左声道输出 | 4 |
| 4 | 滤波网络 | 4 | 9 | 左声道输入 | 3.4 |
| 5 | 右声道输出 | 4 | 10 | 基准输入 | 3.7 |
从AV/TV切换电路N802 (TC4052)的(3)、(13)脚输出的音频信号,、加到N204( M62438FP)的(9)、(2)脚,经处理后从M62438FP的(8)、(5)脚输出,加到立体声音频处理电路N203( TDA7429S)的(35)、(38)脚。
M624381P的(7)脚为SRS开启控制端,由TDA9383的(7)脚进行控制。当TDA9383的(7)脚输出高电平时,SRS系统开启,校正听觉系统传递函数的补偿网路开始工作,可以增加声场的环绕效果和临场感。当TDA9383的(7)脚输出低电平时,SRS系统关断,这种状态对聆听以语言为主的伴音信号比较有利,可以提高语音的清晰度。
2.立体声处理电路立体声处理电路
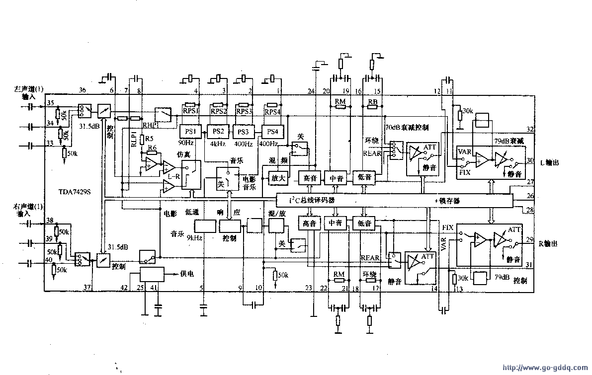
以N203 (TDA7429S)为核心构成,TDA7429S是飞利浦公司生产的立体声音频处理电路,在IIC总线控制下,可完成音频信号源选择,音效控制,高、中、低音控制,平衡控制,音量控制和静音控制等功能。TDA7429S内部电路框图如下图所示,引脚功能及实测数据如下表所示。
| 脚号 | 功能 | 电压(V) | 脚号 | 功能 | 电压(V) |
| 1 | 外接移相电容 | 3.4 | 22 | 右中音改善输入 | 3.7 |
| 2 | 外接移相电容 | 3.4 | 23 | 右声道高音调节 | 3.9 |
| 3 | 外接移相电容 | 3.7 | 24 | 左声道高音调节 | 3.9 |
| 4 | 外接移相电容 | 3.7 | 25 | 模拟电路地 | O |
| 5 | 9kHz低通滤波 | 3.9 | 26 | IIC总线数据 | 2.1 |
| 6 | 低通滤波端 | 3,9 | 27 | IIC总线时钟 | 2.2 |
| 7 | 高通滤波端1 | 4.1 | 28 | 数字电路地 | 0 |
| 8 | 高通滤波端2 | 3.9 | 29 | 主伴音右声道输出 | 3.4 |
| 9 | 后环绕声输出 | 4 | 30 | 主伴音左声道输出 | 3.4 |
| 10 | 后环绕声输入 | 3.4 | 3l | 副伴音右声道输出 | 3.4 |
| II | 左环绕声输入 | 3.6 | 32 | 副伴音左声道输出 | 3.4 |
| 12 | 左低音输出 | 4.1 | 33 | 左声道输入3 | 0 |
| 13 | 右环绕声输入 | 3.6 | 34 | 左声道输入2 | O |
| 14 | 右低音输出 | 4.1 | 35 | 左声道输入1 | O |
| 15 | 左低音改善输出 | 4.1 | 36 | 左声道监视器输出 | 4 |
| 16 | 左低音改善输入 | 3.9 | 37 | 右声道监视器输出 | 4.O |
| 17 | 右低音改善输出 | 4.1 | 38 | 右声道输入1 | 3.3 |
| 18 | 右低音改善输入 | 3.9 | 39 | 右声道输入2 | 0 |
| 19 | 左中音改善输出 | 4.1 | 40 | 右声道输入3 | 0 |
| 20 | 左中音改善输入 | 3.7 | 4l | 电源参考滤波 | 3.3 |
| 21 | 左中音改善输出 | 4.1 | 42 | +8V电压输入 | 8 |
3.音频功放电路
音频功放电路以N201 (TDA8944J)为核心构成,TDA8944J为双路BTL功率放大器,具有过热、短路保护和开关机静音功能,TDA8944J内部电路框图如下图所示,引脚功能和实测数据如下表所示。
立体声处理电路TDA7429S输出的L、R音频信号加到音频功放电路TDA8944J的(12)、(6)脚,经功率放大后,从TDA8944J的(1)、(4)和(14)、(17)脚输出,驱动左右声道扬声器发出

从虚拟环绕声处理电路M62438FP输出的L、R音频信号加到立体声处理电路TDA7429S的(35)、(38)脚,经环绕声处理、四种音乐响应选择和高音、低音、音量及平衡控制后,从(30)、(29)脚输出L、R主音频信号,加到音频功放电路N201(TDA8944J),从其(32)、(31)脚输出L、R副音频信号圭重低音功放电路N202(TDA8945)。
3.音频功放电路
音频功放电路以N201 (TDA8944J)为核心构成,TDA8944J为双路BTL功率放大器,具有过热、短路保护和开关机静音功能,TDA8944J内部电路框图如下图所示,引脚功能和实测数据如下表所示。
立体声处理电路TDA7429S输出的L、R音频信号加到音频功放电路TDA8944J的(12)、(6)脚,经功率放大后,从TDA8944J的(1)、(4)和(14)、(17)脚输出,驱动左右声道扬声器发出
| 脚号 | 功能 | 电压(V) | 脚号 | 功能 | 电压(V) |
| 1 | 1通道反相输出 | 7.5 | 10 | 选择模拟输入(待机、静音、操作) | O |
| 2 | 接地点1 | O | 11 | 供给一半的吸收电压 | 7.3 |
| 3 | 提供1通道的供电 | 15 | 12 | 2通道正相输入 | 5.7 |
| 4 | 1通道正相输出 | 7.5 | 13 | 空脚 | 0 |
| 5 | 空脚 | 0 | 14 | 2通道反相输出 | 7.5 |
| 6 | 1通道正相输入 | 5.7 | 15 | 接地点2 | 0 |
| 7 | 空脚 | 0 | 16 | 提供2通道的供电 | 15 |
| 8 | 1通道反相输入 | 5.7 | 17 | 2通道芷相输出 | 7.5 |
| 9 | 2通道反相输入 | 5.7 |

4.重低音功放电路
重低音功放电路以N202 (TDA8945S)为核心构成,TDA8945S为BTL功率放大器,具有待机静音控制模式和输出短路保护、过热保护等功能,TDA8945S内部电路框图如下图所示,引脚功能和实测数据如下表所示。
TDA7429S的(32)、(31)脚输出的L、R信号经R213、.R215后合成为R+L信号,通过C213、R212、C214组成的低通滤波器滤波后,滤除中、高频分量,其低频分量进入TDA8945S的(4)脚,经内部功率放大后,从TDA8945S的(1)、(3)脚输出,驱动重低音扬声器发出声音。
| 脚号 | 功能 | 电压(V) | 脚号 | 功能 | 电压(V) |
| l | 音频放大输出 | 7.5 | 6 | 供给一半的吸收电压 | 7.3 |
| 2 | 供电电压 | 15 | 7 | 选择模式输入(待机、静音、正常) | 0.2 |
| 3 | 音频放大输出 | 7.5 | 8 | 接地 | O |
| 4 | 正相输入 | 5.4 | 9 | 空脚 | O |
| 5 | 负相输入 | 5.4 |

5.静音控制电路
TDA9383的(5)脚为静音控制端,当需要静音时,TDA9383的(5)脚输出高电平信号,一方面经VD202加到V202的基极,控制V202饱和导通,V202饱和导通后,其集电极为低电平,导致V202截止,V205集电极输出高电平,加到N201(TDA8944J)的(10)脚,控制TDA8944J无左右音频信号输出:另一方面,TDA9383的(5)脚输出的高电平信号还经VD203加到V203的基极,控制V203饱和导通,V203饱和导通后,其集电极为低电平,导致V206截止,V206集电极输出高电平,加到N202 (TDA8945S)的(7)脚,控制TDA8945S无重低音信号输出。
另外,该机还设有关机静噪电路,具体工作过程是:开机后,13V电源经VD344、VD202给C344充有10V左右的电压,V341截止,对功放没有影响。关机时,13V电源电压消失,V341基极变为低电位,C344上的电压使V341饱和,其集电极输出高电平,经VD200、VD201控制V202、V205和V203、V206,使N201 (TDA8944J)的(10)脚和N202 (TDA8945S)的(7)脚变为高电平,达到关机静噪的目的。