一、电路原理分析
788DF/793MB彩显由电源电路、微处理器电路、行场扫描电路、RGB信号处理电路、OSD屏显电路构成,如下图所示。从下图可以看出,该机主要采用了10块集成电路和少量的分立元件构成,主要芯片的功能如下表所示。


1.电源与节能控制
(1)电源
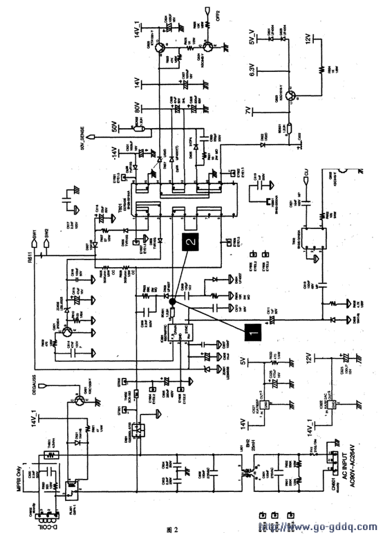
该机主电源采用IC60l(实物多为DP904C。图标为8S0765RRC,两者可互换。但不能和DPl04、KA2S0880等IC代换)为核心构成的变压器耦合、他激式开关电源。如下图所示,DP904C引脚功能如下表所示。

1)功率变换
该机输入市电电压后。220V电压经保险管FHl送到由R601、R602、C601、L601、C602~C604组成的线路滤波电路。滤除市电电网中的高频干扰后,一路送到受控消磁电路;另一路经整流堆D601桥式整流,在C605两端建立300V左右的直流电压。TH602是负温度系数热敏电阻,它可在开机瞬间抑制C605初始充电产生的冲击强电流。
300V电压经开关变压器T60l的初级绕组((8)-(4)绕组)送到IC601的(1)脚,为它内部的开关管供电,同时该电压还经R610、R609和电源开关SW601(SW601在图中未画出,接在SWl、SW2两端)为C606、C607充电,在它们两端建立启动电压。当C606、C607两端电压达到15V后,IC601内的控制电路开始启动,其产生的激励电压使开关管工作在开关状态。
IC601(1)脚外接的D603、R603、C608和C609、R604、D604组成尖峰脉冲吸收回路,以免开关管截止瞬间被过高的反峰脉冲电压损坏。
开关管工作后,T601各个绕组上输出的脉冲电压经整流滤波后得到多种直流电压,为相应的负载供电。(1)-(2)绕组输出的脉冲电压经D606整流,R607限流,C618滤波获得33V左右的直流电压,再通过D607取代启动电路为IC601提供完成启动后的工作电压。由(9)-(10)绕组产生的脉冲电压经D622整流、C622滤波获得7V电压,为Q623供电。由(10)-(11)绕组产生的脉冲电压经D625整流、C629滤波获得50V电压,除了为行输出电源供电,还为微处理器提供检测电压50V_SENSE。由(12)-(13)绕组产生的脉冲电压经D626整流,C628、C629滤波获得80V电压,为视频输出放大器等电路供电。由(10)-(14)绕组产生的脉冲电压经D627整流、C627滤波获得14.5V(图标为14V)电压,该电压一路经IC621稳压获得5V电压。为微处理器和存储器等电路供电;另一路为Q625供电。由(15)-(16)绕组产生的脉冲电压经D628整流、C631滤波获得14.5V(图标为-14V)电压,为场输出电路、显像管消磁电路供电。
2)稳压控制电路
主电源稳压控制电路采用PCC稳压方式。当市电电压升高。引起开关管在单位时间内的导通电流增大后,T60l存储的能量提前达到设置值,于是取样绕组产生的脉冲电压经D605整流、C615滤波获得的电压,通过稳压管ZD602、R610构成的回路使ZD602击穿导通,当R610两端产生的压降达到0.6V后,Q601导通,IC601的(4)脚电位变为低电平,IC601的(4)脚内电压比较器提前输出高电平控制信号,使开关管提前截止,开关管导通时间缩短,输出电压下降到规定值,实现稳压控制。
当负载变轻时,滤波电容放电时间延长,于是C615两端存储的电压使Q60l导通时间延长,IC601的(4)脚电位呈现低电平的时间延长,开关管导通时间被滞后。由于开关管何时截止由行频触发脉冲决定。所以开关管导通时间变短。从而避免了负载过轻而引起开关电源输出电压升高的现象。
当市电电压下降或负载变重时,控制过程相反。R610的另一个作用是使C615的放电时间与开关电源次级滤波电容放电时间接近,缩短稳压控制响应时间,提高稳压控制性能。
3)保护电路
该电源保护电路由IC601内部电路和相关元件构成。软启动保护:
开机时间,IC601内的恒流源通过0.9A电流为(4)脚外接的C611充电。使它两端电压逐渐升高,致使控制电路输出的激励脉冲的占空比逐渐增大,以免开关管在开机时被过激励损坏。
欠压保护:当启动电阻R606、R605阻值增大,或电源开关SW601接触不良,C606、C608漏电,稳压管ZD601被击穿等情况出现。引起启动电路在开机瞬间为IC60l提供的启动电压低于15V时,IC601内的控制电路不能启动;启动后。若D606、R607、C618、D607组成的供电系统异常。或稳压控制电路、负载电路异常,使IC601(3)韵供电电压下降到9V后,欠压保护电路使控制电路无激励脉冲输出,开关电源停止工作,从而避免开关管可能因激励不足等原因造成损坏。
过压保护;当稳压控制电路异常时。lC60l内的控制电路不能为开关管提供受控的激励脉冲。使开关管导通时间延长,引起T601各个绕组产生的脉冲电压升高,T60l(1)-(2)绕组产生的脉冲电压经整流滤波后,为IC601的(3)脚提供的电压达到37V后,IC60l内的过压保护(OVP)电路动作,使开关管停止工作,避免开关管和负载元件过压损坏。
另外,若稳压控制电路异常使IC601(4)脚电位升高到7.5V后,IC601内的OLP电路输出保护信号,也会使IC601内的开关管停止工作,实现过压保护。
过流保护:当负载短路时,引起IC601内的开关管过流。在它s极所接电阻两端产生的压降达到1V后,过流保护(AOCP)电路输出保护信号,使开关管停止工作,实现开关管过流保护。
过热保护:当IC601的基板温度达到160℃时,过热保护电路输出保护信号,使开关管停止工作,避免开关管过热损坏。
