·上一文章:萌宠的拍摄技巧
·下一文章:爱普生830U型彩色喷墨打印机,按开机健,打印机指示灯不亮,打印头不自检
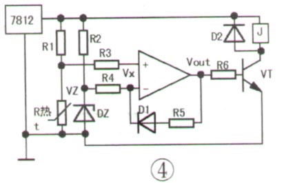
分析检修:根据现象分析,该故障可能发生在定影系统及控制电路等相关部位。经开机检查,定影加热灯、热敏加热灯、热敏电阻、热动开关均完好,说明故障出在控制电路上。该机定影控制电路复杂,在无图纸情况下难以准确修复。本文介绍一款定影控制电路,安装在打印机内,经使用效果很好。
电路采用具有滞后特性的电压比较器,原理图如图4所示。电源由机内DC24V经7812输出+12V,直接向所设电路供电。电路中若采用固态继电器J,则无需滞后特性,若将R4、D1、R5去掉,效果会更好。该电路还可用于其他激光打印机及复印机定影控制电路的修复中。机型不同,所用墨粉的成分不同,定影温度会有差别,热敏电阻的类型也可能不同,因此要根据具体情况设定参数。
