(三)主动式发动机悬置
配备4.0L-V8-TFSI发动机的2012款奥迪A8轿车,除了汽缸关闭功能外,还开发了一个重要部件:主动式发动机悬置。该系统与四缸模式时的主动噪音控制(ANC)系统一样,也是用于提高行驶舒适性的,具体就是在一个较宽的频率范围内都能消除震动。
以2012款奥迪A8车为例,其上就有一个普通的变速器悬置、两个可控式变速器悬置和这种新开发的主动式发动机悬置,如图49所示。

1.总成悬置的作用
·将总成固定在车上
·支承驱动力矩
·隔离发动机震动
·减小发动机震动
2.作用原理
如果发动机工作在4缸模式,那么由于点火脉冲减半了,所以会使得车身震动更加剧烈。这个剧烈震动是通过产生反震动来抵消的。反向震动就是由主动式液压发动机悬置来产生的,其频率范围在20~250Hz。
3.功能
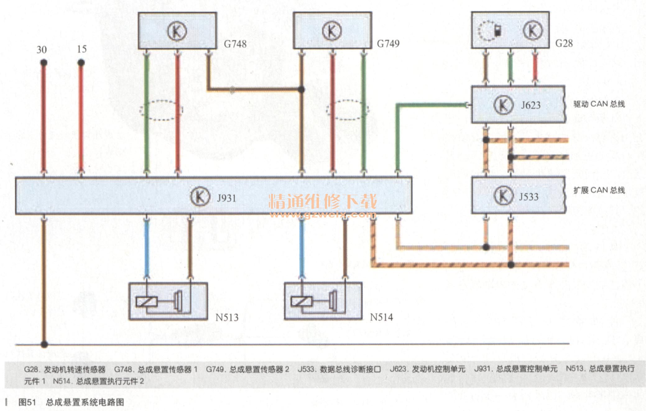
从发动机传来的震动由总成悬置传感器G748和G749来测量,这两个传感器安装在车身处的发动机悬置旁。
传感器将测量值做一下换算,换算值就作为模拟电压信号(0.2~0.8V)发送给总成悬置控制单元J931,这些电压值会被加入到特性曲线中来考虑。另外还有一个重要的输入量就是曲轴转速,发动机控制单元是通过一根单独的导线获知曲轴转速的。
曲轴的转速信号是直接传给发动机控制单元的。J931将计算出的控制信号(PWM信号)发送给总成悬置执行元件(N513、N514)。这样的话,就可以根据需要由主动式发动机悬置来产生一个反震动了。
如果这两种震动在合适的时间点彼此相遇的话,那么就消除了干扰震动了。发动机悬置内的反震动是这样产生的:膜片环在上下做一定的运动,这个运动会被传递到液体腔内的液体(乙二醇)上;所产生的震动从这里被传递到发动机悬置。
膜片环与电磁线圈是刚性相连的。电磁线圈由总成悬置控制单元J931用正弦信号来操控。如果信号的频率或者振幅发生变化了,那么线圈上、下运动的快慢也会发生变化,这样就能在发动机悬置内产生我们所期望的震动了。控制单元内对控制信号的计算是实时的。
4.系统一览
总成悬置系统电路图及功能如图50、图51所示。


5.诊断
控制单元:
·总成悬置控制单元J931
·安装位置:左前车轮拱形板内
·每个悬置的输出功率最大为60W
·诊断协议UDS/ISO
·传感器的输入信号
地址码/诊断内容:
·总成悬置
·读取故障存储器
·执行元件诊断
·基本设定
·读取测量值