一辆行驶里程约3.6万km的2018年的东风标致308轿车。该车前段时间过来检测过,用X431 PAD III看到空调传感器压力为390kPa,判断为空调压力传感器问题,后来客人自己买了一个压力传感器安装上去,但问题没有解决。该车不久前出事故由另外一家厂维修,客人回原维修厂,后来听说更换了压缩机才解决问题。没想到更换压缩机后空调正常工作不到10天,问题又出现,这次客人决定在我厂维修。
故障诊断:首先启动车辆并开启空调,发动机会提速,且原本不运转的风扇低速运行了,证实发动机
ECU接收到了空调信号(X431 PAD III数据流无空调请求状态数据),但空调并不制冷,检测了冷媒,用X431 PAD III进发动机系统,结果发现无故障码,但发动机系统里面有个
数据流显示空调压力为410kPa(如图1所示);无BSI选项;变速器系统也无故障码,空调系统里也无故障码。用冷媒表量取了系统压力,结果显示为800kPa。
怀疑是系统接收到的压力不够,所以空调不工作,于是把系统压力人为地用滑动电阻变为系统显示970kPa,但空调仍然不工作,用5W试灯代替空调变排阀,结果试灯能够点亮,测量试灯两端电压,结果为3V,对搭铁也是3V。人为地给变排阀加上5V以上电压,结果压力能够达到1300kPa左右(看表),低压为300kPa,观察
数据流,当
数据流里面的压力变为700kPa以上时,风扇高速运转。至此故障原因划定为:①系统接收到压力不足(只有410kPa);②压缩机故障(非原厂压缩机,怀疑变排电磁阀阻值不对,导致BSI保护);③空调控制
ECU故障,此车为BSI控制空调变排阀的占空比,即BSI线路或者BSI本身故障;④其他故障原因。
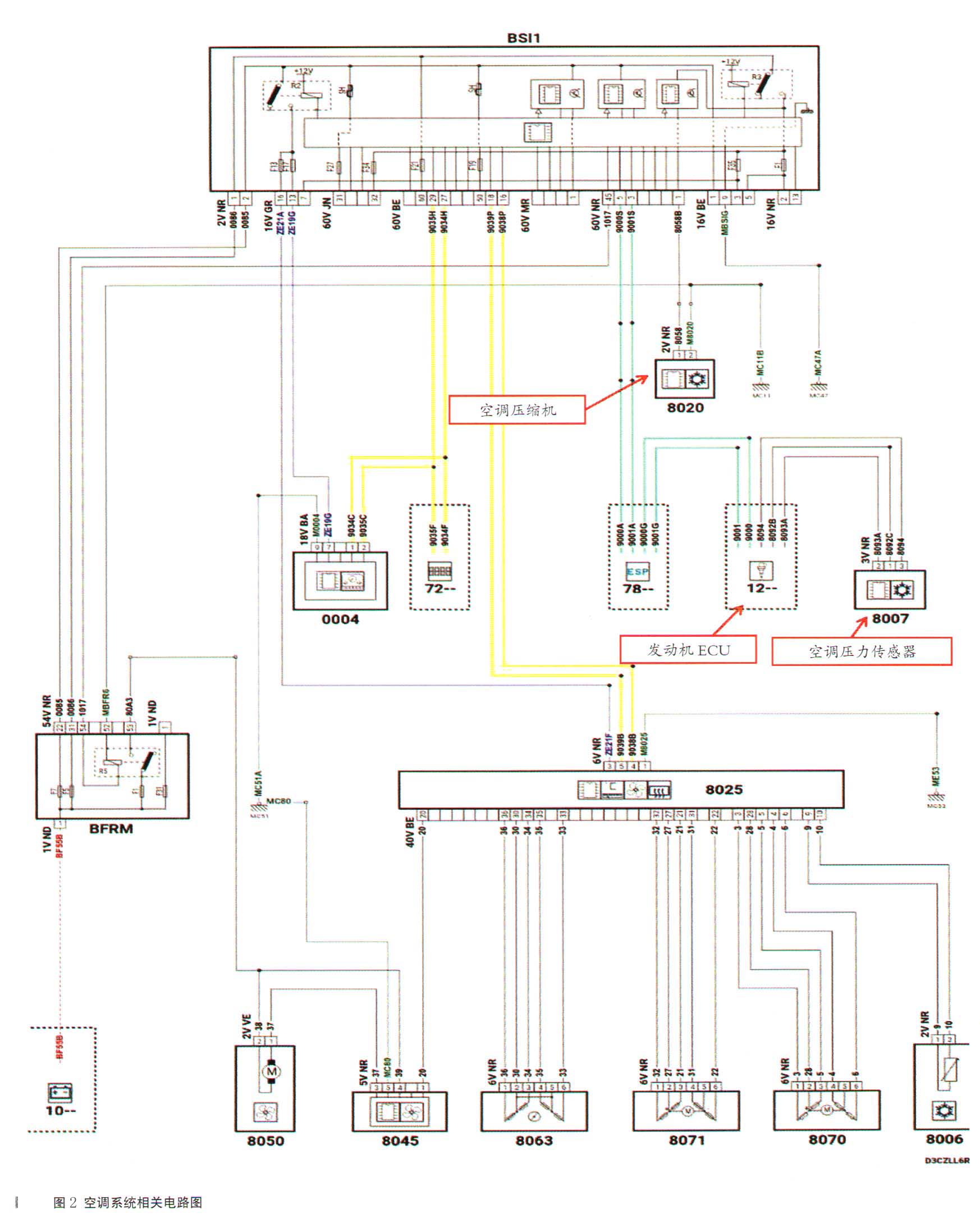
由于是客人之前在其他地方换的压缩机,首先叫客人重新发一个原厂的压缩机过来,同时也发一个原厂的空调压力传感器回来。先装上原厂空调压力传感器,结果系统数据无明显改善,空调平衡压力仍然为410kPa,不敢再更换第二个;同时装上新的压缩机(仍为品牌,非原厂机),系统抽真空后加注冷媒到平衡压力为850kPa(当时外界温度为30℃),压缩机开始工作,以为问题解决了。多次关闭/启动空调后,空调不再工作。故障回到原点。经向4S店同行索取该车空调系统的电路图(如图2所示),结果发现空调压力传感器三条线通到发动机
ECU,而压缩机功率输出占空比却是由BSI控制正电压输出,另外一条线直接搭铁(如图2所示,其中8007为空调压力传感器,8020为压缩机)。而前期检测很明显,现在剩余可能原因只有两个:①压缩机电磁阀阻值不对导致BSI输出不正常;② BSI功能故障或者BSI输出线路故障。叫大量取了BSI空调输出到变排阀之间线路,结果单线为1. 5Ω,正常啊,难道是BSI故障或者真的是压缩机变排阀问题一一特别留意了原车的压缩机与新来的压缩机的变排阀阻值,均为11.2Ω。之前曾经想利用12V继电器更换原车的空调控制线路(变排改定排),把变排几阀两条线分别搭在12V继电器的85/86脚,发现可以驱动吸合,但当再次检测变排阀的电压时,竟然发现空载的时候有约13.5V系统电压,而接上5W试灯后,却无法驱动试灯,难道真的是BSI故障?BSI保护了?再次检测X431 PAD III全部系统,除仪表有一个B1003故障外,均无故障。而B1003,经与4S店同行咨询,说并不知道是否会影响空调工作,但是在网络查询后,显示其实为倒车雷达方面故障,并不影响空调系统。为了使BSI复位,断开
蓄电池负极,10分钟后装上,启动发动机,开空调,直接给变排阀人为加上11V电压,空调工作,同时系统接收压力达到700kPa的时候,风扇高速运转,此时用试灯检测BSI过来的变排电磁阀的驱动线,竟然发现有10V以上电压(根据试灯亮度)。但空调从高速转为低速后,不再可以驱动试灯。至此,更改线路的想法被彻底放弃。同时也想起。了一个特殊的现象:为什么测量了BSI到变排阀的线路后,供电电压不正常呢(原来没有检测的时候百直可以驱动5W试灯的),于是决定从BSI接头那里黑色60插的第一个插头,拔出原1脚插脚,另接一根上去,结果发现5W试灯竟然很亮,足有12V电压。问题找到:BSI到变排阀或者断路,或者虚接,经仔细检查,发现发动机舱左前处,BSI与变排阀中间插头那里虚接了,如图3所示。
