首 页文档资料下载资料维修视频汽修在线平台
请登录  |  免费注册
当前位置:精通维修下载 > 文档资料 > 汽车技术 > 汽车维修 > 通用别克维修实例
别克新英朗轿车中控失效检修
来源:汽车维修技师  作者:佚名  2021-04-27 08:58:59

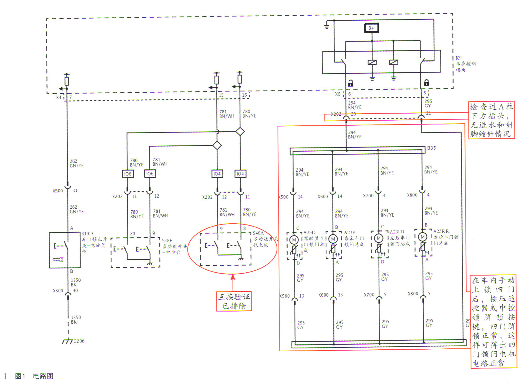
     一辆行驶里程约3.2万km的2018年全新别克英朗轿车。客户反映:该车遥控器不能锁车门。遥控锁车门后,外拉手依旧能打开车门。故障自从出现一直存在。

    故障诊断:在接到客户报修后,按照SBD流程进行了如下检查。
    车辆故障现象验证。按压遥控器车门上锁按键时,车辆喇叭和双闪均工作,用手拉动四门把手均可以打开车门,在车内使用中控开关上锁四门,在车外依旧可以打开车门,确认四门锁块上锁无响应。
    使用遥控按压解锁键和中控解锁键,四门锁块有动作。
    验证结果,车门锁块解锁正常,不能上锁。
    初始检查。先后检查四门门边线束插头连接、A柱下方大插头,无进水现象,本车不存在加装件等。
    检测步骤:
     (1)将诊断仪(KDS)与车辆连接,读取故障码,不存在故障码。
     (2)初步检查各相关保险和搭铁情况,均无异常。
     (3)与同款车型互换中控开关,故障依旧。
     (4)技师还与同款车互换了一下主驾驶门锁块,故障依旧。
    技师分析问题不在部件上,下一步对电路进行分析。
    电路图如图1所示,分离故障如图2~图4所示,故障修复如图5所示。
 
 
 
 
    故障总结:本次维修主要进行的是BCM电脑版的一个三极管的更换。
    本次维修颠覆以往换总成件的修法。以往类似问题一般都是直接换掉BCM(车身控制模块)。通过本案例,发现有些模块问题并非难以修复,只是我们很少接触到电路板的维修。
    以后我们还需好好学习,用最小的代价解决实际故障。
 
相关资料:精通汽修在线平台 99元VIP包年超值体验

关键词:英朗

文章评论评论内容只代表网友观点,与本站立场无关!

   评论摘要(共 0 条,得分 0 分,平均 0 分)
Copyright © 2007-2017 down.gzweix.Com. All Rights Reserved .
页面执行时间:49,082.03000 毫秒